HSR-HSR QuadBox
High-availability Seamless Redundancy (HSR)-HSR QuadBox is a quadruple port specialized device used to interconnect two independent HSR networks. This network redundancy feature:
-
provides enhanced protection against a failure on one QuadBox device,
-
utilizes four specific ports to bridge traffic between two HSR domains for seamless failover, and
-
ensures continuous network operation with minimal packet loss even during link or node failures.
|
Feature Name |
Release information |
Description |
|---|---|---|
|
HSR-HSR QuadBox |
26.1.1 |
This feature enables you to interconnect two distinct High-availability Seamless Redundancy (HSR) rings, providing continuous, fault-tolerant communication between them. This capability is crucial in industrial and critical infrastructure environments where zero packet loss and high network availability are paramount. It allows for robust network segmentation and enhanced resilience on IE3505 and IE3505H platforms. |
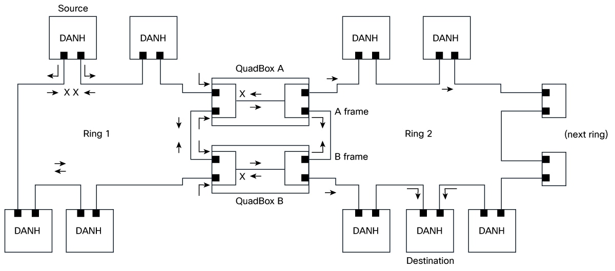
The HSR-HSR QuadBox mode is a specialized configuration that enables the system to interconnect two independent HSR rings. This functionality explicitly supports HSR port assignments across both base and expansion modules, overriding general HSR limitations that typically restrict a system to a single HSR ring or HSR ports to base modules only.
The QuadBox connects multiple HSR rings by linking two rings through four dedicated ports without causing any learning or forwarding delays. It is designed for industrial networks that demand zero downtime, high fault tolerance, and reliability. The HSR-HSR QuadBox mode is a specialized switch configuration with fixed port assignments that vary based on the module type, ensuring seamless and efficient bridging of the two HSR rings.
![]() Note |
The interface assignment for HSR-HSR QuadBox is fixed and cannot be changed. |
| Port Pair | Module | Ring 1 ports | Ring 2 ports |
| Copper | Base Module | Gig1/4, Gig1/5 | Gig1/6, Gig1/7 |
| Mixed (SFP + Cu) | Base Module | Gig1/1, Gig1/2 | Gig1/6, Gig1/7 |
| SFP |
Base + 8P SFP Expansion Module |
Gig1/1, Gig1/2 | Gig2/1, Gig2/2 |
| Base + 8P Mixed Expansion Module | Gig1/1, Gig1/2 | Gig2/7, Gig2/8 | |
| Base + 16P Mixed Expansion Module | Gig1/1, Gig1/2 | Gig2/15, Gig2/16 |
The port pair option is chosen via CLI and in case of SFP, based on the expansion module attached too.

Feedback