- Preface
- Overview of Chassis Installation Steps
- Cisco CRS Carrier Routing System 8-Slot Line Card Chassis Enhanced Router Overview
- Installing Power Components
- Installing Air Circulation Components
- Installing Exterior Components
- Installing Line Cards, PLIMs, and Associated Components
- Removing Chassis Components
- Technical Specifications
- Product IDs
- Installing Power Components
- Power Systems Overview
- How to Install Power Components
- Cisco CRS 3-Phase AC Power Distribution Unit
- Safety Warnings
- General Power and Grounding Requirements
- Installing or Removing the PDU Kit
- Installing PDU Kit in Rack
Installing Power
Components
Installing Power Components
This chapter provides instructions on how to install Cisco CRS 8-Slot Line Card Chassis Enhanced router power components.
This chapter presents the following topics:
- Power Systems Overview
- How to Install Power Components
- Cisco CRS 3-Phase AC Power Distribution Unit
- Safety Warnings
- General Power and Grounding Requirements
- Installing or Removing the PDU Kit
- Specifications
Power Systems Overview
The chassis power system provides power to chassis components and is made up of two AC or DC power shelves that contain AC or DC power modules (PMs).
The AC power system requires single-phase AC input power to the power shelves. If you have 3-phase AC Delta or AC Wye at your equipment, a Cisco CRS power distribution unit (PDU) will be required to convert 3-phase AC input power to single-phase AC input power for the power shelf. The power system also includes SNMP MIBS and XML support.
![]() Note | In the AC power system, PDU refers to the Cisco CRS PDU which is required to convert 3-phase AC-Wye or AC-Delta input power to single-phase AC input power for the AC power shelf. For further information and installation instructions, see the Cisco CRS 3-Phase AC Power Distribution Unit section . |
This section contains the following topics:
Basic Chassis Power Details
The Cisco CRS 8-Slot Line Card Chassis Enhanced router can be configured with either a DC-input power subsystem or an AC-input power subsystem. Site power requirements differ, depending on the source voltage used.
Follow these precautions and recommendations when planning power connections to the router:
- Check the power at your site before installation to ensure that you are receiving clean power. Install a power conditioner, if necessary.
- Install proper grounding to avoid damage from lightning and power surges.
The Cisco CRS 8-Slot Line Card Chassis Enhanced router requires that at least one power shelf and its components be installed to operate properly; however, if you install only one power shelf and its components, your system will not be 2N redundant.
Two types of power shelves exist: an AC shelf and a DC shelf. An AC power shelf houses the AC PMs, while a DC power shelf houses the DC PMs. It is required that you use only one type of power shelf, either AC or DC, in a chassis at a time.
This unit might have more than one power supply connection. All connections must be removed to de-energize the unit. Statement 1028
Bonding and Grounding Guidelines
The chassis allows you to connect the central office ground system or interior equipment ground system to the bonding and grounding receptacles on the router chassis. Six chassis grounding points are provided at the rear (MSC) side of the chassis. Each side of the chassis has one pair of threaded ground studs located on the inside of the chassis and two sets of grounding receptacles located on the outside of the chassis.
The following figure shows the grounding points on the rear (MSC) side of the chassis. These ground points are also called the network equipment building system (NEBS) bonding and grounding points.
![]() Note | These bonding and grounding receptacles satisfy the Telcordia NEBS requirements for bonding and grounding connections. |
![]() Caution | Do not remove the chassis ground cable unless the chassis is being replaced. |

|
1 |
NEBS bonding and grounding points (inside chassis) |
|
2 |
NEBS bonding and grounding points (outside chassis) |
DC Power Systems
The Cisco CRS 8-Slot Line Card Chassis Enhanced router DC power system can provide up to 8,400 W to power the line card chassis.
![]() Note | Depending on the hardware deployed at your site, your system may not consume the maximum power supplied by the power system. |
The Cisco CRS 8-Slot Line Card Chassis Enhanced router does not contain an alarm module. The DC PM monitors PM status and processes alarm functions. The PM distributes power and passes PM status signals to the system. Alarms are processed through the route processor (RP). LEDs on the front panel of the RP card indicate active alarm conditions.
Each DC powered chassis contains two DC power shelves for 2N redundancy. The shelves contain the input power connectors. Each shelf can accept up to four DC PMs. The power shelves and DC PMs are field replaceable. If DC power to one power shelf fails, the other power shelf provides enough power for the chassis. This 2N power redundancy enables the routing system to operate in spite of single power failure.
The following figure shows the wiring on the rear of a DC power shelf.

Each power shelf operates with up to four DC inputs of –48/–60 VDC (nominal), 60 A. The power shelf accepts input DC power in the range –40 to –72 VDC.
We recommend that the terminal block covers, shown in Figure 1, should only be removed when wiring and unwiring the power shelf. The terminal block cover is slotted in such a way that cables can only come out the bottom portion of each cover.
The power supply terminal posts are centered 0.63 inches (5/8 inch) (1.6 cm) apart and are M6-threaded. We recommend that you use an appropriately sized 180-degree angle (straight) industry standard 2-hole, standard barrel compression lug, as shown in the following figure.

![]() Note | DC power cables have a torque value of 20 in.-lb (2.26 N-m) and chassis ground cable connectors have a torque value of 30 in.-lb (3.39 N-m). |
For additional power details, see Appendix A, “Technical Specifications.”
AC Power Systems
The Cisco CRS 8-Slot Line Card Chassis Enhanced router AC power system can provide up to 9,000 W to power the Cisco CRS 8-Slot Line Card Chassis Enhanced router.
![]() Note | Depending on the hardware deployed at your site, your system may not consume the maximum power supplied by the power system. |
Each AC powered chassis contains two AC power shelves for 2N redundancy. The shelves contain the input power connectors. Each shelf can contain up to three AC PMs. The power shelves and the AC PMs are field replaceable.
The Cisco CRS 8-Slot Line Card Chassis Enhanced router does not contain an alarm module. The AC PM monitors PM status and processes alarm functions. The AC PM distributes power and passes PM status signals to the system. Each PM has its own integrated fuse to protect the system, and each PM is plugged into its own power outlet. Alarms are processed through the RP. LEDs on the front panel of the RP indicate active alarm conditions.
The AC power system requires single-phase AC input power. If you have 3-phase AC Delta or AC Wye at your equipment, a Cisco CRS PDU will be required to convert 3-phase AC input power to single-phase AC input power for the power shelf. For further information, see Cisco CRS 3-Phase AC Power Distribution Unit.
The AC power shelf has the following input VAC power requirements:
- Single-phase, 200 to 240 VAC nominal, 50 to 60 Hz, 16 Ax3.
- Each power shelf contains three IEC-320-C22 receptacles which can accept up to three IEC-320-C21 connector plugs.
![]() Note | In order to maintain a balanced 3-phase power load, three AC PMs are required to be installed in a Cisco CRS 8-slot line card chassis AC power shelf. |
![]() Note | We recommend that you use appropriate short-circuit protection in compliance with national and local electrical codes. |
For additional power details, see Appendix A, “Technical Specifications.”
How to Install Power Components
This section describes how to install power components in the Cisco CRS 8-Slot Line Card Chassis Enhanced router.
![]() Note | Although there are differences between the different types of power shelves and PMs (AC and DC), they are installed and removed using the same procedures. |
We recommend that you install the power components in the order outlined in this section. This section contains the following procedures:
- Installing the Chassis Ground Cable
- Installing an AC or DC Power Shelf
- Installing AC Power Cords or DC Power Shelf Wiring
- Installing a Power Module
- Power Up and Power Down a Chassis
- Converting from One Power System to Another
Installing the Chassis Ground Cable
This section describes how to install the ground cable on the Cisco CRS 8-Slot Line Card Chassis Enhanced router. For complete information on regulatory compliance and safety, see Regulatory Compliance and Safety Information for the Cisco CRS Carrier Routing System .
Prerequisites
To ensure a satisfactory ground connection, you need the following parts:
- One grounding lug that has two M6 bolt holes with 0.63-inch (5/8 inch) (1.6 cm) of spacing between them, center to center, and a 6-AWG multistrand copper cable. The lug is similar to the type used for the DC-input power supply leads, as shown in #con_1225323/fig_1227720.
- Four M6 hex-head nuts with integrated locking washers are shipped pre-installed on the inside of the chassis.
- Eight M6 hex-head bolts with integrated locking washers are shipped pre-installed on the outside of the chassis.
- Cisco recommend at least 6 AWG multistrand copper ground cable. This cable is not available from Cisco Systems; it is available from any commercial cable vendor. The cable should be sized according to local and national installation requirements.
![]() Caution | The DC Return of the Cisco CRS 8-Slot Line Card Chassis Enhanced router should remain isolated from the system frame and chassis (DC-I: Isolated DC Return). |
Required Tools and Equipment
You need the following tools to perform this task:
- One ground lug for equipment-side ground connection. In a rack application, the rack-side of the ground cable will also require a lug.
- Ground cable
- Crimping tool and lug specific die
- 3/8 in. drive socket wrench
- 10-mm 6 pt. socket
- Torque wrench with 10-mm 6 pt. socket and rated accuracy at 30 in.-lb (3.39 N-m)
Steps
To attach the ground cable to the chassis, perform the following steps:
What to Do Next
After the chassis ground cable has been attached, install the power shelves in the chassis. See the Installing an AC or DC Power Shelf for more information.
Installing an AC or DC Power Shelf
This section describes how to install an AC or DC power shelf in the Cisco CRS 8-Slot Line Card Chassis Enhanced router. For complete information on regulatory compliance and safety, see the Regulatory Compliance and Safety Information for the Cisco CRS Carrier Routing System.
Although there are differences between the AC and DC power shelves, they are installed using the same procedures.
The following figure shows the rear view of the AC power shelf.

The following figures show the rear view of the DC power shelf.

Required Tools and Equipment
You need the following tools to perform this task:
- 6-in. long number 1 Phillips screwdriver
- number 2 Phillips screwdriver
- 5/32 x 6-in. flat blade screwdriver
- 10-mm 6-pt. socket wrench
- 3/8-in. drive socket wrench
-
AC or DC power shelf
- DC power shelf (Cisco product number CRS-8-PSH-DC-B), or
- AC power shelf (Cisco product number CRS-8-PSH-AC-B)
Steps
To install the power shelf, go to the rear of the chassis and perform the following steps:
| Step 1 | Ensure that all power cords are disconnected from the power shelf. | ||||
| Step 2 | At the front
(PLIM) side of the chassis, using the number 2 Phillips screwdriver, insert the
power shelf so that it stops against the rear mounting bracket, then fasten the
power shelf to the chassis. (There are two screws per shelf, see the following
figure.
![]()
| ||||
| Step 3 | At the rear of
the chassis, using the 10-mm socket wrench, loosen the hex head bolts which
secure the bracket to the chassis, as shown in the following figure.
![]()
| ||||
| Step 4 | Using the
flat-blade screwdriver, install power shelf mounting screws, to secure power
shelf to rear mounting bracket.
| ||||
| Step 5 | Secure the power shelf using the 10-mm hex head bolts (four per power shelf). | ||||
| Step 6 | Retighten the hex head bolts which secure the bracket to the chassis. See Figure 2. |
What to Do Next
After the power shelves have been installed in the chassis, install the DC input wiring and DC terminal block covers or install the AC cords, as described in Installing AC Power Cords or DC Power Shelf Wiring.
Installing AC Power Cords or DC Power Shelf Wiring
This section describes how to install the DC input wiring and DC terminal block covers, or install the AC power cords on the Cisco CRS 8-Slot Line Card Chassis Enhanced router. For complete information on regulatory compliance and safety, see Regulatory Compliance and Safety Information for the Cisco CRS Carrier Routing System.
- Installing DC Power Shelf Wiring
- Prerequisites
- Required Tools and Equipment
- Steps
- What to Do Next
- Installing AC Power Cords
- Prerequisites
- Required Tools and Equipment
- Steps
- What to Do Next
Installing DC Power Shelf Wiring
This section describes how to connect the DC input wiring to rear of the DC power shelf and install the terminal block covers. For more detailed information on chassis DC power systems, see DC Power Systems.
The following figure shows the power cable connections at the rear of the DC power shelf.

![]() Caution | When wiring the power shelf, be sure to attach the chassis ground cable to the chassis first. For more information, see Bonding and Grounding Guidelines and Installing the Chassis Ground Cable. |
Prerequisites
Before performing this task, ensure that both power shelves are installed in the chassis.
![]() Caution | Before installing wiring on the power shelf, make sure that the input power cables are not energized. |
Required Tools and Equipment
You need the following tools to perform this task:
- DC power cables
- DC power cable lugs
- Crimping tool and lug specific die
- 3/8 in. ratchet wrench with 10-mm socket
- Multimeter
- Torque wrench with 10-mm 6 pt. socket and rated accuracy at 20 in.-lb (2.26 N-m)
Steps
To wire the DC power shelf, perform the following steps:
| Step 1 | Remove the terminal block covers, if installed. | ||||
| Step 2 |
Verify the following resistance values on both power shelves:
| ||||
| Step 3 |
Use the crimping tool mandated by the lug manufacturer to crimp the lugs to the DC-input cables. For details on lugs, see DC Power Systems.
The cable should be sized according to local and national installation requirements. Use only copper cable.
| ||||
| Step 4 | Using the wrench, attach the positive and negative cable pairs to each terminal block on the first power shelf (Power A). Start with PM0 (located on the right side) and move left, finishing with PM3 (located on the left side).Use the torque wrench to tighten to a torque of 20 in.-lb (2.26 N-m). | ||||
| Step 5 | Using the wrench, attach the positive and negative cable pairs to each terminal block on the second power shelf (Power B). Start with PM0 (located on the right side) and move left, finishing with PM3 (located on the left side).Use the torque wrench to tighten to a torque of 20 in.-lb (2.26 N-m). | ||||
| Step 6 | After all DC cabling is installed install the distribution covers. See Installing DC Terminal Block Covers. This should be done prior to applying power for safety. |
What to Do Next
After the DC power shelf wiring has been installed, install the DC PMs. For more information, see Installing a Power Module.
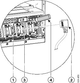
Installing AC Power Cords
This section describes how to install input AC power cords on the rear of the power shelf.
![]() Note | When wiring the power shelf, be sure to connect the chassis ground cable first. For more information see Bonding and Grounding Guidelines and Installing the Chassis Ground Cable. |
Prerequisites
Before performing this task, ensure that both power shelves are installed in the chassis.
If you have AC Delta or AC Wye at your equipment, a Cisco CRS PDU will be required to convert 3-phase AC input power to single-phase AC input power for the power shelf. For further information, see Cisco CRS 3-Phase AC Power Distribution Unit.
![]() Note | If you have a Cisco CRS PDU installed, the AC power cords must be installed as labeled. For further information, see Cisco CRS 3-Phase AC Power Distribution Unit. |
![]() Note | Before installing input AC power cords on the power shelf, make sure that the input power cords are not energized. |
Required Tools and Equipment
You need the following tools to perform this task:
- 6-in. long number 1 Phillips screwdriver
- Input AC power cords, depending on locale (See Appendix B, “Product IDs.” )
Steps
To install the AC cords, go to the rear of the chassis and perform the following steps:
| Step 1 | Insert the AC
cords into the AC cord clamps, as shown in the following figure.
![]()
| ||||||||
| Step 2 | Use the Phillips screwdriver to tighten the screw that clamps the cord in place, see Figure 1. |
What to Do Next
After you install the AC input cords, install the AC or DC PMs. For more information, see Installing a Power Module.
Installing a Power Module
This section describes how to install the AC or DC PMs, shown in the following figure, in the Cisco CRS 8-Slot Line Card Chassis Enhanced router. For complete information on regulatory compliance and safety, see Regulatory Compliance and Safety Information for the Cisco CRS Carrier Routing System.
Although there are differences between the AC and DC PMs, they are installed in the same manner.

Prerequisites
Before performing this task, you must first install both power shelves.
![]() Caution | Do not attempt to install the PMs until the power shelf is in place and screwed into the chassis. |
Required Tools and Equipment
You need the following tools to perform this task:
- ESD-preventive wrist strap
- 6-in. long number 1 Phillips screwdriver
- Torque screwdriver with number 1 Phillips bit and rated accuracy at 5.5 in-lb (0.62 N-m)
-
AC or DC PM
- AC PM (Cisco product number CRS-PM-AC=)
- DC PM (Cisco product number CRS-PM-DC=)
Steps
To install the AC or DC PMs in the power shelf, go to the front of the chassis and perform the following steps:
| Step 1 | Attach the ESD-preventive wrist strap to your wrist and connect its leash to one of the ESD connection sockets on the front (PLIM) side of the chassis or a bare metal surface on the chassis. | ||
| Step 2 | Using two hands
to support and guide the PM, slide it into the power shelf.
![]()
| ||
| Step 3 | Flip up
Figure 1
Figure 3-15 ) and with nominal install torque of 5.5 in-lb (0.62 N m) of
torque, screw the PM into the shelf (see following figure). Do not exceed an
install torque value of 10 in-lb (1.13 N-m).
![]()
| ||
| Step 4 | Fill the power shelf, in PM ascending order, to the required configuration. |
Power Up and Power Down a Chassis
This section describes how to power up and power down a chassis with an AC or DC power shelf. For details on the chassis power systems, see Basic Chassis Power Details, DC Power Systems, and AC Power Systems.
Most components on the chassis, such as the PMs and fan trays, can be removed or installed in the chassis while it is running. Although it is possible to install or remove a power shelf while the chassis is running, it is recommended to remove power from the chassis completely, if possible, for service protection and safety.
- Power Up a Chassis
- Prerequisites
- Steps
- Power Down a Chassis
- Prerequisites
- Steps
- What to Do Next
- Installing DC Terminal Block Covers
- Required Tools and Equipment
- Steps
Power Up a Chassis
This section describes how to power up a chassis with a AC or DC power shelf.
Prerequisites
Before performing this task, you must install and wire the power shelves, install the PMs, and install the route processor (RP) card. See Installing an AC or DC Power Shelf, Installing AC Power Cords or DC Power Shelf Wiring, Installing a Power Module, and Installing an RP, PRP, or DRP Card, page 6-20 for more information.
Steps
To power up the chassis, perform the following steps:
| Step 1 | Make sure that the facility power breakers for shelf (Power A) and shelf (Power B) are in the OFF position. [AC or DC] |
| Step 2 | Make sure that I/O switches on the rear of the shelf (Power A) and shelf (Power B) are in the OFF position. [AC or DC] |
| Step 3 | Make sure all boards (RPs, PLIMs, SFCs, and FPs) are pulled-out and disconnected from the backplane (if installed). [AC or DC] See Installing an RP, PRP, or DRP Card, page 6-20 for more information. |
| Step 4 |
For AC systems, go to Step 5. For DC systems only, complete the following: |
| Step 5 |
For AC systems only, complete the following:
|
| Step 6 | Turn the facility breakers for power shelf A to the ON position. Verify that the Input_OK LED on all of the PMs installed in shelf A are green. [AC or DC] |
| Step 7 | Turn the I/O switch at the rear of the power shelf A to the ON position. Verify that the Output_OK LED on all of the PMs installed in power shelf A are green. [AC or DC] |
| Step 8 | Repeat Step 6 and Step 7 for power shelf B. [AC or DC] |
| Step 9 | Turn the I/O switch at the rear of both power shelves (Power A and Power B) to the OFF position. [AC or DC] |
| Step 10 | Verify that none of the Output_OK LEDs on the PMs installed in the shelf are green. [AC or DC] |
| Step 11 | Install all boards (RPs, PLIMs, SFCs, FPs, FANs & FAN Filter) in the chassis. [AC or DC] For more information, see Chapters 4 & 6. |
| Step 12 | Turn the I/O switch at the rear of both power shelves (Power A and Power B) to the ON position. [AC or DC] |
| Step 13 | Measure the input voltage of each DC input and compare this value to the voltage measurement noted in Step 4b [DC only]. Verify that the equipment is still receiving the correct input voltage. |
Power Down a Chassis
This section describes how to power down a chassis with a AC or DC power shelf.
Prerequisites
Before performing this task, you must ensure that the system software has been shut down.
Steps
To power down the chassis, perform the following steps:
What to Do Next
The following table shows the LED status indicator lights for the AC and DC PMs installed in a power shelf.
|
LED Name |
Color |
Function or Meaning |
|---|---|---|
|
Input_OK |
Green |
On: The input voltage is present and within regulation range. Blinking: The input voltage is present but out of regulation range. Off: The input voltage is not present. |
|
Output_OK |
Green |
On: The output voltage is on. Blinking: The PM is in a power limit or an OC condition. Off: The output voltage is off. |
|
Fault |
Red |
On: An internal fault is detected within the PM. Off: The PM has no internal fault. |
What to Do Next
After the DC power shelf wiring has been installed, attach the terminal block covers. Continue to the Installing DC Terminal Block Covers for instructions.
Installing DC Terminal Block Covers
The following figure shows the DC terminal block cover.

![]() Note | Install the terminal block cover after the input wiring is installed, but before the power is energized. |
Required Tools and Equipment
You need the following tools to perform this task:
- 6-in. long number 1 Phillips screwdriver
- Terminal block covers
Steps
To install the DC terminal block covers, go to the rear of the chassis and perform the following steps:
| Step 1 | Align the DC terminal block cover with the cover latch tab. | ||||||||||||||||
| Step 2 | Use the
Phillips screwdriver to secure the screw into the mounting standoff, see
following figure.
![]()
|
Converting from One Power System to Another
To convert a Cisco CRS 8-Slot Line Card Chassis Enhanced router with from AC to DC power, or from DC to AC power, perform the following steps:
| Step 1 | Power down the chassis completely. | ||
| Step 2 | Remove the AC or DC PMs from the power shelves. See Removing AC or DC PMs, page 7-24 , | ||
| Step 3 | Remove the AC or DC wiring from the rear of the power shelves. See the Removing AC Power Cords or DC Power Shelf Wiring, page 7-27 . | ||
| Step 4 | Remove the power shelves. See Removing a Power Shelf, page 7-30 . | ||
| Step 5 | Install the new power shelves. SeeInstalling an AC or DC Power Shelf. | ||
| Step 6 |
Install the power shelf wiring. See Installing AC Power Cords or DC Power Shelf Wiring.
| ||
| Step 7 | Install the AC or DC PMs. See Installing a Power Module. | ||
| Step 8 | Power the chassis back up. See the Power Up and Power Down a Chassis. |
What to Do Next
![]() Caution | Use only one type of power shelf—AC or DC—and its mating AC or DC PM in a chassis at one time. |
Cisco CRS 3-Phase AC Power Distribution Unit
This section describes the Cisco CRS Power Distribution Unit (PDU). The PDU converts 3-phase AC input power to single-phase AC output power that connects directly to the rear of the modular configuration AC power shelf.
The AC PDU includes either an AC Delta or AC Wye power interface, and has power input and power output cords entering and exiting the box. The PDU can be installed in a 19-inch rack or other locations, depending on the PDU type, by using chassis mounting brackets.
In this document, single PDU refers to the individual PDU that converts 3-phase AC input power to single-phase AC output power. Cisco product numbers for single PDUs are as follows:
- PDU-321-3-Delta—3-phase to single-phase AC Delta PDU, 1 input/3 output
- PDU-321-3-Wye—3-phase to single-phase AC Wye PDU, 1 input/3 output
- PDU-321-6-Delta—3 phase to single-phase AC Delta PDU, 2 input/6 output
- PDU-321-6-Wye—3-phase to single-phase AC Wye PDU, 1 input/6 output
A PDU kit refers to all the components that are required to be installed in a redundant Cisco CRS system. A PDU kit contains 2 single PDUs and any necessary mounting brackets or hardware. When ordering a Cisco CRS system, a PDU kit Cisco product number should be ordered. Cisco product numbers for PDU kits are as follows:
- CRS-8-PDU-Delta—Redundant 3-phase to single-phase Delta PDU for Cisco CRS 8-slot line card chassis, 2 input/6 output
- CRS-8-PDU-Wye—Redundant 3-phase to single-phase Wye PDU for Cisco CRS 8-slot line card chassis, 2 input/6 output
Cisco CRS PDU Kit for Cisco CRS 8-Slot Line Card Chassis
This section describes the Cisco CRS PDU kit for the Cisco CRS 8-slot line card chassis. The PDU has power input and power output cords entering and exiting the box. One single PDU is required for each modular configuration AC power shelf installed in the chassis for system redundancy. Each PDU kit consists of two identical single PDUs, either AC Delta (Cisco product number PDU-321-3-Delta) or AC Wye (Cisco product number PDU-321-3-Wye), installed in a 19-inch rack tray (Cisco product number CRS-8-PDU-tray). One PDU kit is required to be installed for system redundancy.
![]() Note | In order to maintain a balanced 3-phase power load, three AC power modules (PMs) are required to be installed in a Cisco CRS 8-slot line card chassis AC modular configuration power shelf. |
The following figure shows the single Delta PDU (Cisco product number PDU-321-3-Delta). The single Wye PDU (Cisco product number PDU-321-3-Wye) is similar.

The following figure shows the Delta PDU kit that converts 3-phase AC input power to single-phase AC output power for the Cisco CRS 8-slot Line Card Chassis Enhanced router.

|
1 |
Rack mounting brackets |
4 |
Single-phase AC output cords |
|---|---|---|---|
|
2 |
Rack tray (Cisco product number CRS-8-PDU-tray=) |
5 |
Two PDUs (Cisco product number PDU-321-3-Delta) |
|
3 |
3-phase AC input cords |
|
|
The following figure shows the Wye PDU kit that converts 3-phase AC input power to single-phase AC output power for the Cisco CRS 8-slot Line Card Chassis Enhanced router.

|
1 |
Rack mounting brackets |
4 |
Single-phase AC output cords |
|---|---|---|---|
|
2 |
Rack tray (Cisco product number CRS-8-PDU-tray=) |
5 |
Two PDUs (Cisco product number PDU-321-3-Wye) |
|
3 |
3-phase AC input cords |
|
|
Safety Warnings
These warnings are translated into several languages in Regulatory Compliance and Safety Information for the Cisco CRS Power Distribution Unit that is available online.
This equipment is intended to be grounded. Ensure that the host is connected to earth ground during normal use. Statement 39
![]() Note | In statement 39, host refers to the rack or chassis that the Cisco CRS PDU is mounted to. |
This product relies on the building’s installation for short-circuit (overcurrent) protection. Ensure that the protective device is rated not greater than: 250 V/60 A—CRS-8-PDU-Delta=415 V/16 A— CRS-8-PDU-Wye=250 V/60 A—CRS-16-PDU-Delta=415 V/32 A— CRS-16-PDU-Wye=250 V/60 A—CRS-FCC-PDU-Delta=415 V/32 A— CRS-FCC-PDU-Wye= Statement 1005
To prevent bodily injury when mounting or servicing this unit in a rack, you must take special precautions to ensure that the system remains stable. The following guidelines are provided to ensure your safety:This unit should be mounted at the bottom of the rack if it is the only unit in the rack.When mounting this unit in a partially filled rack, load the rack from the bottom to the top with the heaviest component at the bottom of the rack.If the rack is provided with stabilizing devices, install the stabilizers before mounting or servicing the unit in the rack. Statement 1006
Take care when connecting units to the supply circuit so that wiring is not overloaded. Statement 1018
The plug-socket combination must be accessible at all times, because it serves as the main disconnecting device. Statement 1019
This unit might have more than one power supply connection. All connections must be removed to de-energize the unit. Statement 1028
This product requires short-circuit (overcurrent) protection, to be provided as part of the building installation. Install only in accordance with national and local wiring regulations. Statement 1045
To prevent the system from overheating, do not operate it in an area that exceeds the maximum recommended ambient temperature of:40°C (131°F) Statement 1047
Stability hazard. The rack stabilizing mechanism must be in place, or the rack must be bolted to the floor before you slide the unit out for servicing. Failure to stabilize the rack can cause the rack to tip over. Statement 1048
General Power and Grounding Requirements
This section describes the power and grounding requirements you must consider when planning the site facilities for the PDU.
![]() Note | A certified electrician should review the information in these sections to ensure that the installation site meets these requirements. For larger system configurations, consult a facilities electrical expert to determine the load that the routing system may put on the facility power plant. |
-
Installation of the PDU must follow national and local electrical codes:
- In the United States—United States National Fire Protection Association (NFPA) 70 and United States National Electrical Code (NEC)
- In Canada—Canadian Electrical Code, part I, CSA C22.1
- In other countries—International Electrotechnical Commission (IEC) 60364, parts 1 through 7
- Two separate and independent AC power sources are needed to provide 2N redundancy for system power. Each power source requires its own circuit breaker.
- Each power source must provide clean power to the site. If necessary, install a power conditioner.
- Site must provide short-circuit (over-current) protection for devices.
- Proper grounding is required at the site to ensure that equipment is not damaged by lightning and power surges. In addition, a grounding-type AC power outlet is required for AC-powered systems.
- Include power requirements for any external terminals and test equipment used with your system when planning for the power for the site.
![]() Note | Review the safety warnings in Regulatory Compliance and Safety Information for the Cisco CRS Power Distribution Unit before attempting to install the routing system |
Installing or Removing the PDU Kit
This section describes how to install an AC Delta or AC Wye PDU kit on the Cisco CRS 8-slot Line Card Chassis Enhanced router:
![]() Note | Review the safety warnings in Regulatory Compliance and Safety Information for the Cisco CRS Power Distribution Unit before attempting to install the Cisco CRS PDU.All field replaceable units (FRUs) and blank covers must be properly installed in the system. |
Cisco CRS PDU Kit for Cisco CRS 8-Slot Line Card Chassis Enhanced Router
This section describes how to install or remove a PDU kit in the Cisco CRS 8-slot Line Card Chassis Enhanced router in a rack.
The procedure for installing or removing a PDU kit is the same for the AC Delta and AC Wye PDU. This section contains the following procedures:
- Installing the PDU Kit
- Removing the PDU Kit
- Installing a Single PDU in a Cisco CRS 8-Slot Line Card Chassis Enhanced Router PDU Kit
- Removing a Single PDU from a Cisco CRS-8 PDU Kit
Installing the PDU Kit
This section describes how to install an AC Delta or AC Wye PDU kit in the 19-inch Cisco CRS 8-slot Line Card Chassis Enhanced router rack.
![]() Note | Although there are differences between the AC Delta and AC Wye PDU, they are installed in the same manner. |
![]() Caution | Before you begin this procedure, ensure that all power is disconnected from the Cisco CRS PDU. Remove the PDU input plug(s) from the branch circuit outlet(s). |
Before you install the PDU kit, be aware of the following:
- If installed in a closed or multi-unit rack assembly, the operating ambient temperature of the rack environment may be greater than room ambient temperature. Therefore, consideration should be given to installing the equipment in an environment compatible with the maximum ambient temperature. See #con_1296153/tab_1296311.
- Installation of the equipment in a rack should be such that the amount of air flow required for safe operation of the equipment is not compromised.
- Mounting of the equipment in the rack should be such that a hazardous condition is not achieved due to uneven mechanical loading.
- Consideration should be given to the connection of the equipment to the supply circuit, and to the effect that overloading of the circuits might have on overcurrent protection and supply wiring. Appropriate consideration of equipment nameplate ratings should be used when addressing this concern.
- Reliable earthing of rack-mounted equipment should be maintained. Pay particular attention to supply connections other than direct connections to the branch circuit (e.g. use of power strips).
Required Tools and Equipment
The following tools are required to install the PDU kit:
- 3/8 in. flat blade screwdriver
- Number 1 x 6 in. Phillips screwdriver
-
PDU kit
- AC Delta PDU kit (Cisco product number CRS-8-PDU-Delta=), or
- AC Wye PDU kit (Cisco product number CRS-8-PDU-Wye=)
![]() Note | Rack-mounting screws are not shipped with the PDU kit. You can use 10-32, 10-24, 12-24, or M5 screws. (M6 and 1/4-20 screws do not fit.) |
Steps
To install the PDU kit in the 19-inch rack, perform the following steps:
| Step 1 | Align the rack-mounting bracket holes on the PDU kit with the holes on the vertical rack posts. | ||||||||||
| Step 2 | Insert and
partially tighten the four screws—two on each side—to attach the rack-mounting
brackets on the PDU kit to the vertical rack brackets. See the following
figure.
![]() | ||||||||||
| Step 3 | Use the appropriate tool to fully tighten the screws. | ||||||||||
| Step 4 | Connect the
output cords on the PDU to the rear of the Cisco CRS 8-slot Line Card Chassis
Enhanced router modular configuration AC power shelf.
![]()
| ||||||||||
| Step 5 | Use the number 1 Phillips screwdriver to tighten the screw that clamps the coFigure 2 Figure 3-23 . | ||||||||||
| Step 6 | Plug the PDU AC input plug into the facility power to energize the Cisco CRS 8-slot Line Card Chassis Enhanced router. |
What to Do Next
After you have installed the PDU kit, you can power up the power modules and the chassis and put the Cisco CRS 8-slot Line Card Chassis Enhanced router into service.
Removing the PDU Kit
This section describes how to remove an AC Delta or AC Wye PDU kit from the Cisco CRS 8-slot line card chassis rack.
![]() Note | Although there are differences between the AC Delta and AC Wye PDU, they are removed in the same manner. |
![]() Caution | Before you begin this procedure, ensure that all power is disconnected from the Cisco CRS PDU. Remove the PDU input plug(s) from the branch circuit outlet(s). |
Required Tools and Equipment
The following tools are required to remove the PDU kit from the Cisco CRS 8-slot Line Card Chassis Enhanced router in a 19-inch rack:
- 3/8 in. flat blade screwdriver
- Number 1 x 6 in. Phillips screwdriver
Steps
To remove the PDU kit from the 19-inch rack, perform the following steps:
| Step 1 | To disconnect
the PDU output cords from the rear of the Cisco CRS 8-slot Line Card Chassis
Enhanced router modular configuration AC power shelf, use the number 1 Phillips
screwdriver to loosen the screw that clamps the cord in place and remove the
cord.
![]()
| ||||||||
| Step 2 | Use the 3/8 in.
flat blade screwdriver to remove the four screws—two on each side—that attach
the rack-mounting brackets on the PDU kit to the vertical rack brackets.
![]() | ||||||||
| Step 3 | Carefully remove the PDU kit from the rack. |
Installing a Single PDU in a Cisco CRS 8-Slot Line Card Chassis Enhanced Router PDU Kit
This section describes how to install a single AC Delta or AC Wye PDU in the 19-inch rack tray.
![]() Note | Although there are differences between the AC Delta and AC Wye PDU, they are installed in the same manner. |
Prerequisites
![]() Caution | Before you begin this procedure, ensure that power is disconnected from the Cisco CRS PDU being installed. Remove the PDU input plug from the branch circuit outlet. |
Required Tools and Equipment
The following tool is required to install a single PDU in the 19-inch rack tray:
- Number 1 x 6 in. Phillips screwdriver
Steps
To install the single PDU from the 19-inch rack tray, perform the following steps:
| Step 1 | Position the PDU and associated power cords in the 19-inch rack tray. | ||||||||||
| Step 2 | Use the number
1 Phillips screwdriver to fasten the four panel fasteners (two at front and two
at rear) that retain the single PDU in the 19-inch rack tray. See following
figure that shows the panel fasteners on the front of the 19-inch rack tray.
![]()
| ||||||||||
| Step 3 | Connect the
output cords on the PDU being installed to the rear of the Cisco CRS 8-slot
Line Card Chassis Enhanced router modular configuration AC power shelf.
![]()
| ||||||||||
| Step 4 | Use the number 1 Phillips screwdriver to tighten the screw that clamps the cord in place. See#task_1293047/fig_1293081 Figure 3-27 . | ||||||||||
| Step 5 | Plug the PDU AC input plug into the facility power to energize the Cisco CRS 8-slot line card chassis. |
Removing a Single PDU from a Cisco CRS-8 PDU Kit
This section describes how to remove a single AC Delta or AC Wye PDU from the 19-inch rack tray.
![]() Note | Although there are differences between the AC Delta and AC Wye PDU, they are removed in the same manner. |
Prerequisites
![]() Caution | Before you begin this procedure, ensure that power is disconnected from the Cisco CRS PDU being replaced. Remove the PDU input plug from the branch circuit outlet. |
Required Tools and Equipment
The following tool is required to remove a single PDU from the 19-inch rack tray:
- Number 1 x 6 in. Phillips screwdriver
Steps
To remove the single PDU from the 19-inch rack tray, perform the following steps:
| Step 1 | Disconnect the
output cords on the PDU being removed from the rear of the Cisco CRS 8-slot
line card chassis modular configuration AC power shelf. Use the number 1
Phillips screwdriver to loosen the screw that clamps the cord in place and
remove the cord.
![]()
| ||||||||
| Step 2 | Use the number
1 Phillips screwdriver to unfasten only the four panel fasteners (two on front
and two on rear) that retain the single PDU you want to remove in the 19-inch
rack tray. The following figure shows the panel fasteners on the front of the
19-inch rack tray.
![]()
| ||||||||
| Step 3 | Remove the PDU and associated power cords from the 19-inch rack tray. |
Installing PDU Kit in Rack
This section describes how to install an AC Delta (PDU-321-6-Delta) or AC Wye PDU (PDU-321-6-Wye) in a 19-inch rack.
![]() Note | Although there are differences between the AC Delta and AC Wye PDU, they are installed in the same manner. |
Prerequisites
![]() Caution | Before you begin this procedure, ensure that all power is disconnected from the Cisco CRS PDU. Remove the PDU input plug(s) from the branch circuit outlet(s). |
Before you install the PDU, be aware of the following:
- If installed in a closed or multi-unit rack assembly, the operating ambient temperature of the rack environment may be greater than room ambient. Therefore, consideration should be given to installing the equipment in an environment compatible with the maximum ambient temperature. See #con_1296153/tab_1296311.
- Installation of the equipment in a rack should be such that the amount of air flow required for safe operation of the equipment is not compromised.
- Mounting of the equipment in the rack should be such that a hazardous condition is not achieved because of uneven mechanical loading.
- Consideration should be given to the connection of the equipment to the supply circuit, and to the effect that overloading of the circuits might have on overcurrent protection and supply wiring. Appropriate consideration of equipment nameplate ratings should be used when addressing this concern.
- Reliable earthing of rack-mounted equipment should be maintained. Particular attention should be given to supply connections other than direct connections to the branch circuit (for example, use of power strips).
Required Tools and Equipment
The following tools are required to install the PDU in a rack:
- 3/8 in. flat blade screwdriver
- Number 1 x 6 in. Phillips screwdriver
-
PDU kit
- AC Delta PDU kit (Cisco product number CRS-16-PDU-Delta=), or
- AC Wye PDU kit (Cisco product number CRS-16-PDU-Wye=)
![]() Note | Rack mounting screws are not shipped with the PDU kit. Use 10-32, 10-24, 12-24, or M5 screws. (M6 and 1/4-20 screws do not fit.) |
Steps
To install the PDU in the 19-inch rack, perform the following steps:
| Step 1 | Align the rack-mounting bracket holes on the PDU with the holes on the vertical rack posts. | ||||||||||
| Step 2 | Insert and
partially tighten the four screws—two on each side—to attach the rack mounting
brackets on the PDU to the rack vertical mounting brackets. The following
figure shows two PDUs being installed in a 19-inch rack.
![]() | ||||||||||
| Step 3 | Use the appropriate tool to fully tighten the screws. | ||||||||||
| Step 4 | Connect the
output cords on the PDU to the rear of the modular configuration AC power shelf
on the Cisco CRS 8-slot line card chassis enhanced router. See following
figure.
![]()
| ||||||||||
| Step 5 | Use the number 1 Phillips screwdriver to tighten the screw that clamps the cord in place. | ||||||||||
| Step 6 | Plug the PDU AC input plug into the facility power to energize the Cisco CRS 8-slot line card chassis enhanced router. |
What to Do Next
After the installation of the PDU is complete, you can power up the power modules and the chassis and put the Cisco CRS 8-slot Line Card Chassis Enhanced router into service. See the Cisco CRS Carrier Routing System 8-Slot Line Card Chassis Enhanced Router Installation Guide for more information.
Removing PDU Kit from Rack
This section describes how to remove an AC Delta (PDU-321-6-Delta) or AC Wye PDU (PDU-321-6-Wye) from a 19-inch rack.
![]() Note | Although there are differences between the AC Delta and AC Wye PDU, they are removed in the same manner. |
Prerequisites
![]() Caution | Before you begin this procedure, ensure that all power is disconnected from the Cisco CRS PDU. Remove the PDU input plug(s) from the branch circuit outlet(s). |
Required Tools and Equipment
The following tools are required to remove the PDU from a 19-inch rack:
- 3/8 in. flat-blade screwdriver
- Number 1 x 6 in. Phillips screwdriver
Steps
To remove the PDU from the 19-inch rack, perform the following steps:
| Step 1 | To disconnect
the PDU output cords from the rear of the modular configuration AC power shelf,
use the number 1 Phillips screwdriver to loosen the screw that clamps the cord
in place and remove the cord.
![]()
| ||||||||
| Step 2 | Use the 3/8 in.
flat-blade screwdriver to remove the four screws—two on each side—attaching the
rack mounting brackets on the PDU to the rack vertical mounting brackets.
![]() | ||||||||
| Step 3 | Carefully remove the PDU from the rack and place on the workstation. |
Specifications
This section describes the specifications for the Cisco CRS Power Distribution Unit.
The requirements for the Cisco CRS PDU are:
- Cisco CRS PDU is field retrofittable with Cisco CRS Carrier Router System installation base.
- Cisco CRS PDU supports Cisco CRS 8-slot line card chassis to operate with partial and full power modular capacity.
- Cisco CRS PDU supports 2N redundant mode and allows replacement of either of the two redundant PDUs without impacting system traffic.
The following table lists the specifications for both types of Cisco CRS PDU available for use with the Cisco CRS 8-slot line card chassis, PDU-321-3-Delta and PDU-321-3-Wye.
|
Description |
Value |
|---|---|
|
Height |
3.5 in. (8.9 cm) |
|
Width |
8.75 in. (22.2 cm), single PDU17.5 in. (44.5 cm), including rack tray19.3 in. (49.0 cm), including rack mounting brackets |
|
Depth |
7.0 in. (17.8 cm) |
|
Weight |
43 lb. (19 kg), PDU-321-3-Delta, including tray31 lb. (14 kg), PDU-321-3-Wye, including tray |
|
Input cord length |
177 in. (450 cm) |
|
Output cord length |
138 in. (350 cm) |
|
PDU-321-3-Delta |
3-Phase AC Delta |
|
Input |
200 to 240 VAC, 50 to 60 Hz, 27.7 ATolerance: +/–10% (180 to 264) VAC, 50 to 60 Hz, 27.7 A |
|
Rated Current |
27.7 A |
|
Recommended AC Service |
40 A minimum, 60 A maximum dedicated branch circuit |
|
Output |
200 to 240 VAC, 50 to 60 Hz, 16 ATolerance: +/–10%(180 to 264) VAC, 50 to 60 Hz, 16 A |
|
Input Connection (per single PDU) |
One IEC 60309, 250V/60A, 3W+PE (3 wire + protective earthing)1 |
|
Output Connection (per single PDU) |
Three IEC-320-C21 Connector 90 degree female cords |
|
PDU-321-3-Wye |
3-Phase AC Wye |
|
Input |
200 to 240 (L-N)/346 to 415 (L-L) VAC, 50 to 60 Hz, 16 ATolerance: +/–10% (180 to 264)(L-N)/(311 to 456)(L-L) VAC, 50 to 60 Hz, 16 A |
|
Rated Current |
16 A |
|
Recommended AC Service |
16 A dedicated branch circuit |
|
Output |
200 to 240 VAC, 50 to 60 Hz, 16 ATolerance: +/–10%(180 to 264) VAC, 50 to 60 Hz, 16 A |
|
Input Connection (per single PDU) |
One IEC 60309, 415V/16A, 3W+N+PE (3 wire + neutral + protective earthing)1 |
|
Output Connection Type (per single PDU) |
Three IEC-320-C21 Connector 90 degree female cords |
The following table lists the environmental specifications for the Cisco CRS PDU.
|
Description |
Value |
|---|---|
|
Temperature |
|
|
Operating, nominal |
41 to 104 o F (5 to 40 o C) |
|
Nonoperating |
40 to 158 o F (-40 to 70 o C) |
|
Humidity |
|
|
Operating |
5 to 85% noncondensing |
|
Nonoperating |
5 to 90% noncondensing, short-term |
|
Altitude |
197 to 5906 ft. (-60 to 1800 m) at 122 o F (50 o C), short-termUp to 13,123 ft. (4000 m) at 104 o F (40 o C) or below |












Feedback