電源モジュール ケーブル仕様
電源モジュール ケーブルの仕様については、次の表を参照してください。
- 表 A-18:3 kW および 6 kW AC電源コードについて
- 表 A-19:3.5 kW HVAC/HVDC 電源モジュールの AC 電源コードについて
- 表 A-20:7.5 kW AC 電源コードについて
- 表 A-21:3 kW DC 電源コードについて
- 表 A-22:3.5 kW HVAC/HVDC 電源モジュールの DC 電源コードについて
- 表 A-23:6 kW DC 電源コードについて
(注
) システムのオプションの電源コードを注文しない場合は、ユーザの責任で製品に適した電源コードを選択します。この製品と互換性がない電源コードを使用すると、電気の安全性に関する危険が生じる可能性があります。アルゼンチン、ブラジル、および日本向けの注文では、システムとともに注文される適切な電源コードが必要です。
表 A-18 3-kW および 6-kW AC 電源モジュールの電源コード
|
|
|
|
|
オーストラリアおよびニュージーランド |
CAB-AC-16A-AUS |
16A、250 VAC |
図 A-1 |
中国 |
CAB-AC-16A-CH |
16A、250 VAC |
図 A-2 |
ヨーロッパ大陸 |
CAB-AC-2500W-EU |
16A、250 VAC |
図 A-3 |
国際 |
CAB-AC-2500W-INT |
16A、250 VAC |
図 A-4 |
イスラエル |
CAB-AC-2500W-ISRL |
16A、250 VAC |
図 A-5 |
日本および北米(ロックなし)200 ~ 240 VAC 動作 |
CAB-9K16A-US1 |
16A、250 VAC |
図 A-6 |
日本および北米(ロックあり)200 ~ 240 VAC 動作 |
CAB-AC-C6K-TWLK |
16A、250 VAC |
図 A-7 |
日本および北米 100 ~ 120 VAC 動作 |
CAB-7513AC |
16A、250 VAC |
図 A-8 |
韓国 |
CAB-9K16A-KOR |
16A、250 VAC |
図 A-9 |
配電ユニット(PDU) |
CAB-C19-CBN |
16A、250 VAC |
図 A-10 |
スイス |
CAB-ACS-16 |
16A、250 VAC |
図 A-11 |
図 A-1 3 kW および 6 kW AC 電源モジュール ユニット用 CAB-AC-16A-AUS 電源コードおよびプラグ
図 A-2 3 kW および 6 kW AC 電源モジュール ユニット用 CAB-AC-16A-CH 電源コードおよびプラグ
図 A-3 3 kW および 6 kW AC 電源モジュール ユニット用 CAB-AC-2500W-EU 電源コードおよびプラグ
図 A-4 3 kW および 6 kW AC 電源モジュール ユニット用 CAB-AC-2500W-INT 電源コードおよびプラグ
図 A-5 3 kW および 6 kW AC 電源モジュール ユニット用 CAB-AC-2500W-ISRL 電源コードおよびプラグ
図 A-6 3 kW および 6 kW AC 電源モジュール ユニット用 CAB-9K16A-US1 電源コードおよびプラグ
図 A-7 3 kW および 6 kW AC 電源モジュール ユニット用 CAB-AC-C6K-TWLK 電源コードおよびプラグ
図 A-8 3 kW および 6 kW AC 電源モジュール ユニット用 CAB-7513AC 電源コードおよびプラグ
図 A-9 3 kW および 6 kW AC 電源モジュール ユニット用 CAB-9K16A-KOR 電源コードおよびプラグ
図 A-10 3 kW および 6 kW AC 電源モジュール ユニット用 CAB-C19-CBN 電源コードおよびプラグ
図 A-11 3 kW および 6 kW AC 電源モジュール ユニット用 CAB-ACS-16 電源コードおよびプラグ
図 A-12 3 kW および 6 kW AC 電源モジュール ユニット用 CAB-AC-16A-AUS 電源コードおよびプラグ
表 A-19 3.5 kW HVAC/HVDC 電源モジュールの AC 電源コード
|
|
|
|
|
|
|
アルゼンチン |
CAB-AC-16A-SG-AR |
37-1649-01 |
14 フィート 0 インチ(4.26 m) |
16A、250 VAC |
図 A-13 |
オーストラリアおよびニュージーランド |
CAB-AC-16A-SG-AZ |
37-1661-01 |
14 フィート 0 インチ(4.26 m) |
16A、250 VAC |
図 A-14 |
ブラジル |
CAB-AC-16A-SG-BR |
37-1650-01 |
14 フィート 0 インチ(4.26 m) |
16A、250 VAC |
図 A-15 |
中国 |
CAB-AC-16A-SG-CH |
37-1655-01 |
14 フィート 0 インチ(4.26 m) |
16A、250 VAC |
図 A-16 |
ヨーロッパ大陸 |
CAB-AC-16A-SG-EU |
37-1660-01 |
14 フィート 0 インチ(4.26 m) |
16A、250 VAC |
図 A-17 |
インド |
CAB-AC-16A-SG-IND |
37-1648-01 |
14 フィート 0 インチ(4.26 m) |
16A、250 VAC |
図 A-18 |
International |
CAB-AC-16A-SG-IN |
37-1659-01 |
14 フィート 0 インチ(4.26 m) |
16A、250 VAC |
図 A-19 |
イスラエル |
CAB-AC-16A-SG-IS |
37-1658-01 |
14 フィート 0 インチ(4.26 m) |
16A、250 VAC |
図 A-20 |
イタリア |
CAB-AC-16A-SG-IT |
37-1651-01 |
14 フィート 0 インチ(4.26 m) |
16A、250 VAC |
図 A-21 |
北米(非ロッキング)110 VAC 動作 |
CAB-AC-20A-SG-US |
37-1662-01 |
14 フィート 0 インチ(4.26 m) |
20A、110 VAC |
図 A-22 |
北米(非ロッキング)125 VAC 動作 |
CAB-AC-20A-SG-US1 |
37-1652-01 |
14 フィート 0 インチ(4.26 m) |
20A、125 VAC |
図 A-23 |
北米(非ロッキング)200 ~ 240 VAC 動作 |
CAB-AC-20A-SG-US2 |
37-1657-01 |
14 フィート 0 インチ(4.26 m) |
20A、250 VAC |
図 A-24 |
北米(ロッキング)200 ~ 240 VAC 動作 |
CAB-AC-20A-SG-US3 |
37-1656-01 |
14 フィート 0 インチ(4.26 m) |
20A、250 VAC |
図 A-25 |
北米 277 VAC 動作 |
CAB-AC-20A-SG-US4 |
37-1645-01 |
14 フィート 0 インチ(4.26 m) |
20A、277 VAC |
図 A-26 |
北米キャビネット ジャンパ配電ユニット(PDU) |
CAB-AC-20A-SG-C20 |
37-1653-01 |
14 フィート 0 インチ(4.26 m) |
20A、250 VAC |
図 A-27 |
南アフリカ |
CAB-AC-16A-SG-SA |
37-1647-01 |
14 フィート 0 インチ(4.26 m) |
16A、250 VAC |
図 A-28 |
韓国 |
CAB-AC-16A-SG-SK |
37-1646-01 |
14 フィート 0 インチ(4.26 m) |
16A、250 VAC |
図 A-29 |
スイス |
CAB-AC-16A-SG-SW |
37-1654-01 |
14 フィート 0 インチ(4.26 m) |
16A、250 VAC |
図 A-30 |
国際、IEC/EU、リング端子電源プラグ |
CAB-HV-25A-SG-IN2 |
37-1640-01 |
14 フィート 0 インチ(4.26 m) |
20A、300 VAC/500 VDC |
図 A-31 |
国際、IEC/EU |
CAB-HV-25A-SG-IN3 |
37-100904-01 |
14 フィート 0 インチ(4.26 m) |
20A、300 VAC |
図 A-32 |
北米、リング端子電源プラグ |
CAB-HV-25A-SG-US2 |
37-1641-01 |
14 フィート 0 インチ(4.26 m) |
20A、300 VAC/500 VDC |
図 A-33 |
北米 |
CAB-HV-25A-SG-US5 |
37-100903-01 |
14 フィート 0 インチ(4.26 m) |
20A、300 VAC |
図 A-34 |
(注
) お客様向け出荷開始(FCS)で、すべてのケーブルを注文できるわけではありません。
図 A-13 3.5 kW HVAC/HVDC 電源モジュール ユニット用 CAB-AC-16A-SG-AR 電源コードおよびプラグ
図 A-14 3.5 kW HVAC/HVDC 電源モジュール ユニット用 CAB-AC-16A-SG-AZ 電源コードおよびプラグ
図 A-15 3.5 kW HVAC/HVDC 電源モジュール ユニット用 CAB-AC-16A-SG-BR 電源コードおよびプラグ
図 A-16 3.5 kW HVAC/HVDC 電源モジュール ユニット用 CAB-AC-16A-SG-CH 電源コードおよびプラグ
図 A-17 3.5 kW HVAC/HVDC 電源モジュール ユニット用 CAB-AC-16A-SG-EU 電源コードおよびプラグ
図 A-18 3.5 kW HVAC/HVDC 電源モジュール ユニット用 CAB-AC-16A-SG-IND 電源コードおよびプラグ
図 A-19 3.5 kW HVAC/HVDC 電源モジュール ユニット用 CAB-AC-16A-SG-IN 電源コードおよびプラグ
図 A-20 3.5 kW HVAC/HVDC 電源モジュール ユニット用 CAB-AC-16A-SG-IS 電源コードおよびプラグ
図 A-21 3.5 kW HVAC/HVDC 電源モジュール ユニット用 CAB-AC-16A-SG-IT 電源コードおよびプラグ
図 A-22 3.5 kW HVAC/HVDC 電源モジュール ユニット用 CAB-AC-20A-SG-US 電源コードおよびプラグ
図 A-23 3.5 kW HVAC/HVDC 電源モジュール ユニット用 CAB-AC-20A-SG-US1 電源コードおよびプラグ
図 A-24 3.5 kW HVAC/HVDC 電源モジュール ユニット用 CAB-AC-20A-SG-US2 電源コードおよびプラグ
図 A-25 3.5 kW HVAC/HVDC 電源モジュール ユニット用 CAB-AC-20A-SG-US3 電源コードおよびプラグ
図 A-26 3.5 kW HVAC/HVDC 電源モジュール ユニット用 CAB-AC-20A-SG-US4 電源コードおよびプラグ
図 A-27 3.5 kW HVAC/HVDC 電源モジュール ユニット用 CAB-AC-20A-SG-C20 電源コードおよびプラグ
図 A-28 3.5 kW HVAC/HVDC 電源モジュール ユニット用 CAB-AC-16A-SG-SA 電源コードおよびプラグ
図 A-29 3.5 kW HVAC/HVDC 電源モジュール ユニット用 CAB-AC-16A-SG-SK 電源コードおよびプラグ
図 A-30 3.5 kW HVAC/HVDC 電源モジュール ユニット用 CAB-AC-16A-SG-SW 電源コードおよびプラグ
図 A-31 3.5 kW HVAC/HVDC 電源モジュール ユニット用 CAB-HV-25A-SG-IN2 電源コードおよびプラグ
図 A-32 3.5 kW HVAC/HVDC 電源モジュール ユニット用 CAB-HV-25A-SG-IN3 電源コードおよびプラグ
図 A-33 3.5 kW HVAC/HVDC 電源モジュール ユニット用 CAB-HV-25A-SG-US2 電源コードおよびプラグ
図 A-34 3.5 kW HVAC/HVDC 電源モジュール ユニット用 CAB-HV-25A-SG-US5 電源コードおよびプラグ
表 A-20 7.5 kW AC 電源モジュール ユニットの電源コード
|
|
|
|
|
日本および北米 |
N7K-AC-7.5KW-US |
30A、250 VAC |
図 A-35 |
International |
N7K-AC-7.5KW-INT |
32A、250 VAC |
図 A-36 |
図 A-35 7.5 kW AC 電源モジュール ユニット用 NEMA L6-30 電源コネクタ
図 A-36 7.5 kW AC 電源モジュール ユニット用 IEC 603090 電源コネクタ
表 A-21 3 kW DC 電源モジュール ユニットの電源コード
|
|
|
|
|
すべて(All) |
— |
45 A |
6 AWG |
表 A-22 3.5 kW HVAC/HVDC 電源モジュールの DC 電源コード
|
|
|
|
|
|
|
北米 |
CAB-HV-25A-SG-US1 |
37-1643-01 |
14 フィート 0 インチ(4.26 m) |
20 A、400 VDC |
図 A-37 |
北米、リング端子電源プラグ |
CAB-HV-25A-SG-US2 |
37-1641-01 |
14 フィート 0 インチ(4.26 m) |
20A、300 VAC/ 500 VDC |
図 A-38 |
国際 |
CAB-HV-25A-SG- IN1 |
37-1642-01 |
14 フィート 0 インチ(4.26 m) |
20 A、400 VDC |
図 A-39 |
国際、リング端子電源プラグ |
CAB-HV-25A-SG- IN2 |
37-1640-01 |
14 フィート 0 インチ(4.26 m) |
20A、300 VAC/ 500 VDC |
図 A-40 |
(注
) お客様向け出荷開始(FCS)で、すべてのケーブルを注文できるわけではありません。
図 A-37 3.5 kW HVAC/HVDC 電源モジュール用 CAB-HV-25A-SG-US1 電源コードおよびプラグ
図 A-38 3.5 kW HVAC/HVDC 電源モジュール用 CAB-HV-25A-SG-US2 電源コードおよびプラグ
図 A-39 3.5 kW HVAC/HVDC 電源モジュール ユニット用 CAB-HV-25A-SG-IN1 電源コードおよびプラグ
図 A-40 3.5 kW HVAC/HVDC 電源モジュール用 CAB-HV-25A-SG-IN2 電源コードおよびプラグ
表 A-23 6 kW DC 電源モジュール ユニットの電源コード
|
|
|
|
|
すべて |
N7K-DC-CAB |
40 A、48V-48V |
図 A-41 |
図 A-41 6.0 kW DC 電源モジュール ユニットの電源コネクタ
シャーシの隙間
各 Cisco Nexus 7000 シリーズ スイッチには、取り付け、メンテナンス、ケーブル接続、および換気用に適度な隙間を取る必要があります。取り付け用の隙間には、リフトでスイッチをラックまたはキャビネットに移動するために、ラックまたはキャビネットの前面に必要なコールド アイル用の隙間が含まれています。メンテナンス用の隙間は、スーパーバイザ、I/O、ファブリック、ファン、電源モジュールの交換に必要なホット アイルまたはコールド アイルのスペースです。ケーブル接続用の隙間によって、ケーブルを曲げたり、シャーシに接続したりするために必要な、シャーシ前面のスペース(多くの場合、キャビネット内)が取られます。通常、エアーフローの隙間は、シャーシに出入りする横方向のエアーフローのシャーシの左右のスペースです。シャーシに前面から背面へのエアーフローがあれば、シャーシ側面のエアーフローの隙間の代わりにエアーフローのメンテナンス用の隙間を使用します。
この項では、次のトピックについて取り上げます。
Cisco Nexus 7004 シャーシの隙間
Cisco Nexus 7004 シャーシでは、ケーブルの管理およびメンテナンス用として前面に隙間が必要であり、冷却用空気の取り入れ用として右側に隙間が必要です。また、シャーシ後方のホット アイルに排気できるよう、背面を遮らないようにする必要があります。前面については、ケーブル管理フレーム用として取り付けレールの前に 7.5 インチ(19.1 cm)の隙間が必要であり、さらに、メンテナンス用としてケーブル管理フレームまたはキャビネット扉の前に 26 インチ(66.0 cm)の隙間が必要です。標準の前面マウント ブラケットの代わりにオプションのセンター マウント ブラケットを使用してシャーシを取り付ける場合は、ラックの取り付けレールの前の隙間に 5.7 インチ(14.4 cm)を追加する必要があります。キャビネットに取り付ける場合は、スイッチとキャビネット内側との間に 11 インチ(27.9 cm)の右側の隙間を設けることを推奨します。ラックに取り付ける場合は、右側の隙間として、ラック間に 6 インチ(15.2 cm)またはシャーシと壁の間に 11 インチ(27.9 cm)のスペースを設けることを推奨します。排気のために、シャーシの背面は、スイッチ後方のホット アイルに向けて障害物がないオープンな状態にしておく必要があります。図 A-42 は、前面マウントで 4 支柱ラックにシャーシを取り付ける場合の必要な隙間を示しています。図 A-43は、前面マウントで 2 支柱ラックにシャーシを取り付ける場合の必要な隙間を示しています。図 A-44は、センター マウントで 2 支柱ラックにシャーシを取り付ける場合の必要な隙間を示しています。
図 A-42 前面マウント ブラケットで 4 支柱ラックに取り付ける場合の Cisco Nexus 7004 に必要な隙間
|
|
シャーシ |
|
シャーシの幅 |
|
|
ケーブル管理フレーム |
|
キャビネットへの設置に推奨される右側のスペース
|
|
|
垂直ラックマウントの支柱 |
|
オープン ラックへの設置に推奨される右側のスペース
- 別のオープン ラックの横にある場合、ラック間に 15.2 cm(6 インチ)を使用します。
- 壁の横にある場合、シャーシと壁の間に 27.9 cm(11 インチ)を使用します。
|
|
|
隣接するラック用の縦型ラックマウント支柱 |
|
背面のスペースは必要ありませんが背面は排気のためホット アイル用に開いている必要があります。 |
|
|
キャビネット内部(左側のスペース必要なし) |
|
シャーシとキャビネットの内部の間で必要なエアーフローのスペース(キャビネットを使用する場合) |
|
|
電源モジュールのコールド アイルからの空気取り入れ口 |
|
シャーシの奥行 |
|
|
スーパーバイザ モジュールおよび I/O モジュール用コールド アイルからの吸気口 |
|
ケーブル管理フレームとオプションの前面扉のために、シャーシ前面とキャビネット内部(使用する場合)またはコールド アイルの端(キャビネットがない場合)との間に必要なスペース |
|
|
すべてのモジュールおよび電源モジュールのホット アイルへの排気口 |
|
シャーシの設置およびモジュールの交換に必要な前面保守用スペース |
|
|
左側のスペースは不要(左側にエアーフローなし) |
|
|
図 A-43 前面マウント ブラケットで 2 支柱ラックに取り付ける場合の Cisco Nexus 7004 に必要な隙間
|
|
Cisco Nexus 7004 シャーシ |
|
左側のスペースは不要(左側にエアーフローなし) |
|
|
ケーブル管理フレーム |
|
シャーシの幅 |
|
|
垂直ラックマウントの支柱 |
|
オープン ラックへの設置に推奨される右側のスペース
- 別のオープン ラックの横にある場合、ラック間に 15.2 cm(6 インチ)を使用します。
- 壁の横にある場合、シャーシと壁の間に 27.9 cm(11 インチ)を使用します。
|
|
|
隣接するラック用の垂直ラックマウント支柱 |
|
背面のスペースは必要ありませんが背面は排気のためホット アイル用に開いている必要があります。 |
|
|
電源モジュールのコールド アイルからの空気取り入れ口 |
|
シャーシの奥行 |
|
|
スーパーバイザ モジュールおよび I/O モジュール用コールド アイルからの吸気口 |
|
ケーブル管理フレームおよびオプションの前面扉のために、シャーシ前面とキャビネット内部との間に必要なスペース |
|
|
すべてのモジュールおよび電源モジュールのホット アイルへの排気口 |
|
シャーシの設置およびモジュールの交換に必要な前面のスペース |
図 A-44 センター マウント ブラケットで 2 支柱ラックに取り付ける場合の Cisco Nexus 7004 に必要な隙間
|
|
Cisco Nexus 7004 シャーシ |
|
左側のスペースは不要(左側にエアーフローなし) |
|
|
ケーブル管理フレーム |
|
シャーシの幅 |
|
|
垂直ラックマウントの支柱 |
|
オープン ラックへの設置に推奨される右側のスペース
- 別のオープン ラックの横にある場合、ラック間に 15.2 cm(6 インチ)を使用します。
- 壁の横にある場合、シャーシと壁の間に 27.9 cm(11 インチ)を使用します。
|
|
|
隣接するラック用の縦型ラックマウント支柱 |
|
背面のスペースは必要ありませんが背面は排気のためホット アイル用に開いている必要があります。 |
|
|
電源モジュールのコールド アイルからの空気取り入れ口 |
|
縦型ラックマウント支柱の前面からシャーシ背面への距離 |
|
|
スーパーバイザ モジュールおよび I/O モジュール用コールド アイルからの吸気口 |
|
ケーブル管理フレームおよびオプションの前面扉のために、シャーシの前面と内部との間に必要な隙間 |
|
|
すべてのモジュールおよび電源モジュールのホット アイルへの排気口 |
|
シャーシの設置およびモジュールの交換に必要な前面保守用スペース |
Cisco Nexus 7009 シャーシの隙間
Cisco Nexus 7009 シャーシには、4 支柱ラックまたはキャビネット、前面マウント ブラケット付きの 2 支柱ラック、およびセンター マウント ブラケット付きの 2 支柱ラックを使用した取り付けに必要な、さまざまな隙間要件があります。
4 支柱ラックまたはキャビネットの取り付けでは、シャーシには、次の隙間が必要です(図 A-45 を参照)。
–
キャビネットまたはラックの内部表面とシャーシ前面との間の 7.5 インチ(19.1 cm)のケーブル接続用エリア(このエリアには、オプションでケーブル管理フレームも含めることができます)
–
ラックまたはキャビネットの前面と、コールド アイルの次のオブジェクトの間の 24 インチ(61.1 cm)のメンテナンス エリア
(注
) ラックに対してシャーシを移動するために使用するワイド リフト用に、メンテナンス エリアを増やす必要が生じる場合があります。
–
シャーシの背面と、キャビネットまたはラックの内部表面の間の 7 インチ(17.8 cm)のケーブル接続用エリア。
–
ラックまたはキャビネットの背面と、ホット アイルの次のオブジェクトの間の 24 インチ(61.1 cm)のメンテナンス エリア。
- シャーシの両側のエアーフロー用に 11 インチ(27.9 cm)の隙間。
図 A-45 前面マウントで 4 支柱ラックに取り付ける場合の Cisco Nexus 7009 シャーシに必要な隙間
|
|
Cisco Nexus 7009 シャーシ |
|
排気用のホット アイルの開口部を閉塞しないようにするために必要な左側のスペース |
|
|
ケーブル管理フレーム |
|
シャーシの幅 |
|
|
垂直ラックマウントの支柱 |
|
キャビネット設置に推奨する側面スペース:
|
|
|
隣接するラックの垂直ラックマウントの支柱 |
|
開放型ラック設置の側面推奨スペース:
- 別の開放型ラックの横に設置する場合、6 インチ(15.2 cm)を使用します。
- 壁面の横に設置する場合、11 インチ(27.9 cm)を使用します。
|
|
|
最も近い物体またはキャビネットの内側 |
|
ファン トレイおよびファブリック モジュールの交換に必要な背面保守用スペース |
|
|
電源モジュール用のコールド アイルからの空気取り入れ口 |
|
シャーシの背面とキャビネットの内側との間に必要な通気用スペース(使用する場合) |
|
|
スーパーバイザ、ファブリック、および I/O モジュール用コールド アイルから空気取り入れ口 |
|
シャーシの奥行 |
|
|
電源モジュールのホット アイルへの排気口 |
|
ケーブル管理フレームとオプションの前面扉のために、シャーシの前面とキャビネットの内側(使用する場合)またはコールド アイルの端(キャビネットを使用しない場合)との間に必要なスペース |
|
|
スーパーバイザ、ファブリック、および I/O モジュール用ホット アイルへの排気口 |
|
シャーシの設置およびモジュールの交換に必要な前面のスペース |
前面マウント ブラケットを使用する 2 支柱ラックの取り付けでは、シャーシに次の隙間が必要です(図 A-46 を参照)。
–
シャーシ前面とコールド アイルの間の 7.5 インチ(19.1 cm)のケーブル接続用エリア(このエリアには、オプションでケーブル管理フレームも含めることができます)
–
シャーシの取り付けやモジュールの交換に必要な、ケーブル接続用エリアの前の 28 インチ(71.1 cm)のメンテナンス用エリア
(注
) ラックに対してシャーシを移動するために使用するワイド リフト用に、メンテナンス エリアを増やす必要が生じる場合があります。
- 背面の隙間には、ケーブル管理やモジュールおよび電源装置の交換に必要な 26 インチ(66.0 cm)がシャーシ背面に必要です。
- 側面の隙間の推奨値は、次のように、取り付けにラックを使用するかキャビネットを使用するかに応じて異なります。
–
キャビネットに取り付ける場合は、エアーフローのためにシャーシの両側に 11 インチ(27.9 cm)の隙間を設けることを推奨します。
–
ラックに取り付ける場合は、シャーシと壁面の間に 11 インチ(27.9 cm)、またはラック間に 6 インチ(15.2 cm)の隙間を設けることを推奨します。
図 A-46 2 支柱ラック内の前面マウント Cisco Nexus 7009 シャーシに必要な隙間
|
|
Cisco Nexus 7009 シャーシ |
|
開放型ラック設置に必要なスペース:
- 別の開放型ラックの横に設置する場合、6 インチ(15.2 cm)を使用します。
- 壁面の横に設置する場合、11 インチ(27.9 cm)を使用します。
|
|
|
ケーブル管理フレーム |
|
シャーシの幅 |
|
|
垂直ラックマウントの支柱 |
|
開放型ラック設置に必要なスペース:
- 別の開放型ラックの横に設置する場合、6 インチ(15.2 cm)を使用します。
- 壁面の横に設置する場合、11 インチ(27.9 cm)を使用します。
|
|
|
隣接するラックの垂直ラックマウントの支柱 |
|
ファン トレイおよびファブリック モジュールの交換に必要な背面保守用スペース |
|
|
電源モジュール用のコールド アイルからの空気取り入れ口 |
|
シャーシとキャビネットの内側の間に必要な通気用スペース(使用する場合) |
|
|
スーパーバイザ、ファブリック、および I/O モジュール用コールド アイルから空気取り入れ口 |
|
シャーシの奥行 |
|
|
電源モジュールのホット アイルへの排気口 |
|
ケーブル管理フレームとオプションの前面扉のために、シャーシの前面とコールド アイルの端との間に必要なスペース |
|
|
スーパーバイザ、ファブリック、および I/O モジュール用ホット アイルへの排気口 |
|
シャーシの設置およびモジュールの交換に必要な前面のスペース |
センター マウント ブラケットを使用する 2 支柱ラックの取り付けでは、シャーシに次の隙間が必要です(図 A-47 を参照)。
- 次の両方用の 37 インチ(94.0 cm)の前面の隙間
–
支柱の前面間の 13.5 インチ(34.3 cm)のケーブル接続用エリア(支柱はシャーシ前面から 6 インチ(15.2 cm)後ろ)
–
シャーシの取り付けやモジュールの交換に必要な、ケーブル接続用エリアの前の 26 インチ(66.0 cm)のメンテナンス用エリア。
(注
) ラックに対してシャーシを移動するために使用するワイド リフト用に、メンテナンス エリアを増やす必要が生じる場合があります。
- 背面の隙間には、ケーブル管理やファン モジュールおよび電源装置の交換に必要な 26 インチ(66.0 cm)がシャーシ背面に必要です。
- シャーシの両側のエアーフロー用に 11 インチ(27.9 cm)の隙間。
図 A-47 2 支柱ラック内のセンター マウント Cisco Nexus 7009 シャーシに必要な隙間
|
|
Cisco Nexus 7009 シャーシ |
|
コールド アイルから空気を取り入れるために推奨される右側のスペース(ラック設置用):
- 別の開放型ラックの横に設置する場合、6 インチ(15.2 cm)を使用します。
- 壁面の横に設置する場合、11 インチ(27.9 cm)を使用します。
|
|
|
ケーブル管理フレーム |
|
シャーシの幅 |
|
|
垂直ラックマウントの支柱 |
|
コールド アイルから空気を取り入れるために推奨される右側のスペース(ラック設置用):
- 別の開放型ラックの横に設置する場合、6 インチ(15.2 cm)を使用します。
壁面の横に設置する場合、11 インチ(27.9 cm)を使用します。 |
|
|
隣接するラックの垂直ラックマウントの支柱 |
|
ファン トレイおよびファブリック モジュールの交換に必要な背面保守用スペース |
|
|
電源モジュールのコールド アイルからの空気取り入れ口 |
|
シャーシとキャビネットの内側の間に必要な通気用スペース(使用する場合) |
|
|
スーパーバイザ、ファブリック、および I/O モジュール用コールド アイルから空気取り入れ口 |
|
シャーシの奥行 |
|
|
電源モジュールのホット アイルへの排気口 |
|
ケーブル管理フレームおよびオプションの前面扉の前面とシャーシ前面との間に必要な隙間 |
|
|
スーパーバイザ、ファブリック、および I/O モジュール用ホット アイルへの排気口 |
|
シャーシの設置およびモジュールの交換に必要な前面保守用スペース |
Cisco Nexus 7010 シャーシの隙間
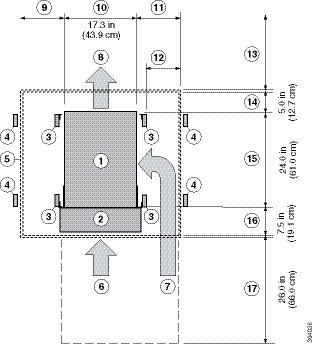
Cisco Nexus 7010 シャーシには、次の隙間が必要です(図 A-48 を参照)。
- 次の両方用の 45.5 インチ(115.6 cm)の前面の隙間
–
キャビネットの内側またはラックの前面とシャーシの前面との間の 7.5 インチ(19.1 cm)のケーブル接続用エリア
–
ラックまたはキャビネットの前のコールド アイル通過用の 38 インチ(96.5 cm)のメンテナンス エリア
(注
) ラックに対してシャーシを移動するために使用するワイド リフト用に、メンテナンス エリアを増やす必要が生じる場合があります。
- 次の両方用の 35 インチ(88.9 cm)の背面の隙間
–
ラックまたはキャビネットの内部の 5 インチ(12.7 cm)のエアーフロー領域
–
ラックまたはキャビネットの後ろのホット アイル通過用の 30 インチ(76.2 cm)のメンテナンス エリア
図 A-48 Cisco Nexus 7010 スイッチに必要な隙間
Cisco Nexus 7018 シャーシの隙間
|
|
Cisco Nexus 7010 シャーシ |
|
シャーシの幅 |
|
|
ケーブル管理システム |
|
右側のスペースは不要(右側にエアーフローなし) |
|
|
垂直ラックマウントの支柱 |
|
ファン トレイおよびファブリック モジュールの交換に必要な背面保守用スペース |
|
|
キャビネット内部(側面のスペースは不要) |
|
シャーシとキャビネットの内側の間に必要な通気用スペース(使用する場合) |
|
|
すべてのモジュールと電源モジュール用のコールド アイルからの空気取り入れ口 |
|
シャーシ背面にあるファン トレイのハンドルを含むシャーシの奥行 |
|
|
すべてのモジュールおよび電源モジュールのホット アイルへの排気口 |
|
ケーブル管理フレームとオプションの前面扉のために、シャーシの前面とキャビネットの内側(使用する場合)またはコールド アイルの端(キャビネットを使用しない場合)との間に必要なスペース |
|
|
左側のスペースは不要(左側にエアーフローなし) |
|
シャーシの設置およびモジュールの交換に必要な前面保守用スペース |
Cisco Nexus 7018 シャーシには、次の隙間が必要です(図 A-49 を参照)。
- 次の両方用の 45 インチ(114.3 cm)の前面の隙間
–
キャビネットの内側またはラックの前面とシャーシの前面との間の 7.5 インチ(19.1 cm)のケーブル接続用エリア
–
ラックまたはキャビネットの前面と、コールド アイル内の次のラック、キャビネット、または壁の間の 38 インチ(96.5 cm)のメンテナンス エリア(シャーシの移動に使用する大型リフト用に、追加エリアが必要になる場合があります)
- 次の両方用の 35 インチ(88.9 cm)の背面の隙間
–
キャビネット内の 5 インチ(12.7 cm)のエアーフロー領域(使用する場合)
–
ラックまたはキャビネットの後ろのホット アイル通過用の 30 インチ(76.2 cm)のメンテナンス エリア
- 側面の隙間の推奨値は、キャビネットを使用するかラックを使用するかに応じて異なります。
–
キャビネットに取り付ける場合は、キャビネットの内側とシャーシとの間に 11 インチ(27.9 cm)の隙間を設けます。
–
ラックに取り付ける場合は、シャーシと壁面の間に 11 インチ(27.9 cm)、またはラック間に 6 インチ(15.2 cm)の隙間を設けます。
図 A-49 Cisco Nexus 7018 スイッチに必要な隙間
|
|
Cisco Nexus 7018 シャーシ |
|
キャビネット設置用の推奨側面スペース:
|
|
|
ケーブル管理フレーム |
|
シャーシの幅 |
|
|
垂直ラックマウントの支柱 |
|
キャビネット設置用の推奨側面スペース:
|
|
|
隣接するラックの垂直ラックマウントの支柱 |
|
開放型ラック設置の側面推奨スペース:
- 別の開放型ラックの横に設置する場合、6 インチ(15.2 cm)を使用します。
壁面の横に設置する場合、11 インチ(27.9 cm)を使用します。 |
|
|
最も近い物体またはキャビネットの内側(エアーフローに必要な側面スペース) |
|
ファン トレイおよびファブリック モジュールの交換に必要な背面保守用スペース |
|
|
電源モジュール用のコールド アイルからの空気取り入れ口 |
|
シャーシとキャビネットの内側の間に必要な通気用スペース(キャビネット設置の場合のみ) |
|
|
スーパーバイザ、ファブリック、および I/O モジュール用コールド アイルから空気取り入れ口 |
|
シャーシの奥行 |
|
|
電源モジュール用のホット アイルへの排気口 |
|
ケーブル管理フレームとオプションの前面扉のために、シャーシの前面とキャビネットの内側(キャビネット設置)またはコールド アイルの端(ラック設置)との間に必要なスペース |
|
|
スーパーバイザ、ファブリック、および I/O モジュール用ホット アイルへの排気口 |
|
シャーシの設置およびモジュールの交換に必要な前面保守用スペース |
|
|
開放型ラック設置の側面推奨スペース:
- 別の開放型ラックの横に設置する場合、6 インチ(15.2 cm)を使用します。
- 壁面の横に設置する場合、11 インチ(27.9 cm)を使用します。
|
|
|