Table Of Contents
Installing the Cisco AS5800
Connecting to an AC Power Source
Parts Required
Mount the Cables on the AC Power Supply
Installing the Power Shelf in the Rack
Installing the Dial Shelf in the Rack
Mounting the Rear Brackets
Telco Rack—Rear Bracket Installation
4-Post Rack—Rear Bracket Installation
Replacing the Dial Shelf Components
Replacing the Blower Assembly
Replacing the Power-Entry Modules
Replacing the Dial Shelf Cards and Dial Shelf Controller Card
Connecting Cables to the Dial Shelf
Connecting the AC Power Cables
Grounding the AC-Input Power Shelf to the Dial Shelf
Connecting the DC Power Cables
Connecting the Monitor Cable
Connecting the AC Power Cords
Installing the Safety Cover on the Standard Power Shelf
Connecting to a DC Power Source
Grounding the Dial Shelf
Connecting DC Power Cables
Rack-Mounting the Router Shelf
Connecting the Dial Shelf to the Router Shelf
Connecting Router Shelf Port Adapter Cables
Connecting Trunk Card Cables
Connecting to the Router Shelf Console and Auxiliary Ports
Installing the Cisco AS5800
This chapter explains the procedures for installing the access server. Installation involves the following tasks:
1
Connecting cables to the AC power supply (AC installs only)
1
Rack-mounting the AC power supply (AC installs only)
2
Rack-mounting the dial shelf
3
Replacing the blower assembly, DC PEMs, and dial shelf cards or controller cards
4
Connecting power inputs to the DC PEMs
5
Mounting the AC power safety cover (AC installs only)
6
Rack-mounting the router shelf
7
Connecting all remaining cable connections
Estimated time to install the access server hardware is between 2 and 3 hours.
Note
If you are installing the optional AC-input power shelf, refer to the"Connecting to an AC Power Source" section.
This chapter assumes that you are installing the access server manually. If you have access to a forklift or hydraulic equipment during the installation, you can omit certain steps, which are specified later in this chapter.
Connecting to an AC Power Source
If your site has access to an AC power source only, you need to install the optional AC-input power shelf (DS58-PWR-2AC) to convert to DC-input power for the dial shelf.
AC-input power is accepted using a separate, self-contained AC-input power shelf, which converts AC-input power to DC-output for use by the DC-powered dial shelf. The AC-input is supplied by two AC power cables (CAB-DS-AC=, other options available), converted to -48V DC-output power for the dial shelf PEMs using two AC-to-DC power cables (DS5800-CAB-ACDC=) supplied by Cisco.
The AC-input power shelf is an optional component of the Cisco AS5800 and is used to convert AC-input power into DC-output power for the DC-powered Cisco 5814 dial shelf. The AC-input power shelf contains two AC-input power supplies.
This section explains how to attach the power cables and rack-mount the AC-input power shelf. For detailed cabling specification tables, refer to Appendix A, "Cisco AS5800 Specifications."
Parts Required
You need the following tools and parts to rack-mount the power shelf:
•
AC-input power shelf or enhanced AC-input power shelf with dual AC power supplies
•
Two AC power cables
•
Two pairs of DC interconnect cables (CAB-5800-ACDC=)
•
One DB-25 to DB-9 monitor cable (CAB-PEM=)
•
One 6 gauge ground cable
•
Two hex nuts and M4 screws
•
Four 10-32 x 3/8-in. slotted screws
•
One metal safety cover and screws
•
3/8-in. nut driver
•
No. 2 Phillips screwdriver
•
1/4-in. flat-blade screwdriver
•
Wire strippers, if needed, for your DC power cables
•
Several cable ties to temporarily anchor the cables out of the way, if necessary
To connect the power cables and power up the system, proceed to the following section "Connecting the AC Power Cables."
Mount the Cables on the AC Power Supply
It is possible to mount the cables on the AC power supply after it has been rack-mounted, but given the limited space in and around many equipment racks, we recommend that you mount the cables before rack-mounting the AC power supply. shows cables mounted on a standard AC power supply, but the process is the same for the enhanced power supply. For a picture of the rear of the enhanced power supply, see Figure 1-17. To mount the AC power supply cables:
Step 1
Attach the ground-cable double ring lug to the ground posts on the rear of the AC-input power shelf. (See , lower chassis.)
Step 2
Secure the double ring lug to both threaded ground posts with a hex nut on each stud.
Step 3
Attach two red DC-interconnect power-cable ring lugs to the terminal stud labeled BUS + on the AC power shelf chassis rear. (See Figure 3-1.)
Step 4
Secure the ring lugs to the threaded stud with a hex nut.
Step 5
Attach two black DC-interconnect power-cable ring lugs to the terminal stud labeled BUS - on the AC power shelf chassis rear. (Refer to Figure 3-1.)
Step 6
Secure the ring lugs to the threaded terminal stud with a hex nut.
Step 7
Attach the monitor cable DB-25 plug to the DB-25 receptacle on the rear of the AC-input power shelf. (See Figure 3-1.) Tighten the jackscrews.
Figure 3-1 Cables Mounted on the Rear of the AC Power Shelf
Installing the Power Shelf in the Rack
You install the power shelf in the rack by securing the permanent mounting flanges to two posts or mounting strips in the rack using the slotted mounting screws provided. Because the mounting flanges support the weight of the entire power shelf, be sure to use at least two slotted screws per mounting flange.
Note
You need to leave 1.75 in. (4.45 cm) between the power shelf and the dial shelf that you will install directly above it.
Caution 
To maintain a low center of gravity, ensure that heavier equipment is installed near the bottom of the rack.
Caution 
The AC-input power shelf with both power supplies installed weighs approximately 47 lb (21.31 kg). Use caution when lifting the power shelf. Bend your knees and lift using your legs. Do not strain your back. We recommend that you remove the power supplies from the AC-input power shelf before you mount it in a rack.
To remove a standard power supply, follow these steps:
Caution 
A single power supply weighs 14.5 lb (6.6 kg). Use both hands when removing or replacing a power supply.
Step 1
Attach an ESD-preventive wrist strap between you and an unpainted chassis surface.
Step 2
Lift the metal spring-clip in the center of the ejector lever to release the lock. (The power supplies are secured by self-locking ejector levers. (See Figure 3-2.)
Step 3
Apply downward pressure to the ejector lever to disconnect the power supply from the power backplane.
Figure 3-2 Removing and Replacing a Power Supply
Step 4
Grasp the power supply handle and pull the power supply halfway out of the bay. Then with your other hand under the power supply to support it, pull the power supply completely out of the bay.
Step 5
Repeat Step 1 through Step 4 for the other power supply.
To remove a power supply for the enhanced AC-input power shelf, follow these steps:
Caution 
A single power supply weighs 11 lb (5 kg). Use both hands when removing or replacing a power supply.
Step 1
Attach an ESD-preventive wrist strap between you and an unpainted chassis surface.
Step 2
Twist the thumbscrew located in the ejector lever to unlock the power supply (See Figure 3-2.)
Step 3
Lift the ejector lever to disconnect the power supply from the power backplane.
Figure 3-3 Removing and Replacing an Enhanced Shelf Power Supply
Step 4
Grasp the power supply handle and pull the power supply halfway out of the bay. Then with your other hand under the power supply to support it, pull the power supply completely out of the bay.
Step 5
Repeat Step 1 through Step 4 for the other power supply.
To install the power shelf in the rack, follow these steps:
Step 1
Verify that your path to the rack is unobstructed, and ensure that the rack is stabilized.
Step 2
Position the power shelf in front of the rack. To prevent injury, avoid sudden twists or moves.
Step 3
Lift and slide the power shelf into the rack, pushing it back until the front mounting flanges meet the mounting strips or posts on both sides of the equipment rack.
Step 4
Position the power shelf so that the holes in the mounting flanges are aligned to those in the mounting strips, while keeping the mounting flanges flush against the posts or mounting strips.
Step 5
Insert the 10-32 x 3/8-inch slotted screws (two screws per side at a minimum) through the power shelf mounting flange and into the mounting strip. Tighten all screws using a 1/4-inch flat blade screwdriver.
Step 6
Replace the power supplies.
(a)
Slide the power supply into the power supply bay. Push the power supply fully into the power shelf until the front is flush against the power shelf frame. To prevent damage to the backplane connector, do not jam the power supply into the bay.
(b)
Push the self-locking ejector lever upward until the metal spring-clip locks into place (listen for the click). (See Figure 3-2 or Figure 3-3.)
(c)
Repeat Step a and Step b on the other power supply.
Figure 3-4 illustrates the standard AC-input power shelf installed in a 4-post rack.
Figure 3-4 Installing the AC-Input Power Shelf in a 4-Post Rack
Installing the Dial Shelf in the Rack
One person can not install the dial shelf chassis in the rack unassisted. Two or preferably three people will be needed.
To secure the rack-mount brackets to the posts or mounting strips in the rack, you must use the slotted mounting screws provided. Because the brackets support the entire weight of the chassis, be sure to use at least two slotted screws per bracket.
Be sure you have the dial shelf prepped as described in the previous chapter before installing it in the rack. To install the dial shelf chassis in the rack, complete the following steps:
Tips
To prevent injury, review the safety precautions in the "Safety Recommendations" section before installing the dial shelf in the rack.
Step 1
Verify that your path to the rack is unobstructed and ensure that the rack is stabilized.
Step 2
Attach one support bracket to each front post or mounting strip using the provided slotted screws and a 1/4-in., flat-blade screwdriver. Ensure that the support brackets are level. (See and .)
Note
Because the brackets support the weight of the entire chassis, be sure to use at least two slotted screws per bracket. These brackets also ensure that the required space between the dial shelf and the power supply is available.
Step 3
Position the dial shelf chassis in front of the rack.
Warning
Two people are required to lift the chassis. Use the handles on the chassis sides. To prevent injury, keep your back straight and lift with your legs, not your back. To prevent damage to the chassis and components, never attempt to lift the chassis with the handles on the power supplies, the filter module, or on the blower assembly. These handles are not designed to support the weight of the chassis. To see translations of the warnings that appear in this publication, refer to the Regulatory Compliance and Safety Information document that accompanied this device.
Step 4
Lift and slide the dial shelf chassis into the rack, resting it on the two support brackets. Push it back until the forward brackets or chassis mounting flanges meet the mounting strips or posts on both sides of the equipment rack. When the chassis is slid back all the way, keep one or two people holding the chassis in place using the handles, or gripping the chassis where the DC PEMs belong.
Figure 3-5 Mounting Support Brackets for the Cisco AS5800
Note
The brackets support the chassis until you complete the installation. Removing the brackets is optional. If you leave the brackets installed, they can be used as spacers between the dial shelf and the optional AC-input power shelf.
Step 5
While two people hold the dial shelf steady, a third person should insert the 10-32 x 3/8-in. slotted screws (2 screws per bracket) through the brackets (or chassis mounting flange) and into the mounting strip. Install two screws near the bottom of the flanges first, then install more screws above them, spaced evenly along the flange. Tighten all the screws using a 1/4-in. flat-blade screwdriver.
To complete the dial shelf rack installation, mount the rear set of brackets to the chassis. Proceed to the following section "Mounting the Rear Brackets."
Mounting the Rear Brackets
This section explains how to mount the rear brackets for telco and 4-post rack installations.
Note
You must mount the rear brackets after you install the dial shelf in the rack.
Telco Rack—Rear Bracket Installation
For a telco rack-mount installation, mount the rear bracket as follows:
Step 1
Align one rear bracket to the lower center position threaded holes in the chassis side (see Figure 2-7, position c), with the bracket flange against the center post.
Step 2
Thread two M5 x 10-mm Phillips flathead screws through the bracket and into the side of the chassis.
Step 3
Using a No. 2 Phillips screwdriver, tighten the screws.
Step 4
Repeat Step 1 through Step 3 to mount the rear bracket on the other side of the chassis.
Step 5
Insert the 10-32 x 3/8-in. slotted screws (2 screws per bracket) through the brackets and into the equipment rack-mounting strip.
Step 6
Tighten all the screws using a 1/4-in. flat-blade screwdriver.
shows a dial shelf installed in a telco rack. The bracket positions labeled a, b, and c correspond to , positions a, b, and c.
Figure 3-6 Cisco 5814 Dial Shelf Installed in a Telco Rack
This completes the dial shelf rack-mounting procedures for a telco rack. Proceed to the section "Replacing the Dial Shelf Components."
4-Post Rack—Rear Bracket Installation
For a 4-post rack-mount installation, mount the optional rear brackets to the sides of the chassis as follows:
Step 1
Align one bracket to the lower rear position threaded holes in the chassis side (see , position d), with the bracket flange against the mounting strip or rack post, as shown in .
Step 2
Thread two M5 x 10-mm Phillips flathead screws through the bracket and into the side of the chassis.
Step 3
Using a No. 2 Phillips screwdriver, tighten the screws.
Step 4
Repeat Step 1 through Step 3 to mount the rear bracket on the other side of the chassis.
Step 5
Position the rear equipment rack-mounting strips flush with the dial shelf chassis rear rack-mounting brackets and secure the strips in the equipment rack.
Step 6
Insert the 10-32 x 3/8-in. slotted screws (2 screws per bracket) through the brackets and into the equipment rack-mounting strip.
Step 7
Tighten the screws using a 1/4-in. flat-blade screwdriver.
Figure 3-7 Cisco 5814 Dial Shelf Installed in a 4-Post Rack
This completes the dial shelf rack-mounting procedures for a 4-post rack. Proceed to the following section "Replacing the Dial Shelf Components."
Replacing the Dial Shelf Components
This section contains instructions for replacing the dial shelf components.
Replacing the Blower Assembly
Replace the blower module in the dial shelf as follows:
Caution 
The blower assembly weighs 27.5 lb (12.5 kg). Use two hands when removing or replacing the blower assembly.
Step 1
Place one hand on the blower assembly handle and place your other hand under the blower assembly. (See .)
Figure 3-8 Replacing the Blower Assembly
Step 2
Align the blower assembly with the chassis opening and slide the blower assembly into the dial shelf chassis.
Step 3
Push the blower assembly all the way into the dial shelf chassis until the connector on the rear of the blower assembly is fully seated in the chassis.
Step 4
Tighten the two captive thumbscrews on the blower assembly front panel.
Replacing the Power-Entry Modules
To reinstall the PEMs, complete the following steps. (Refer to to locate the PEMs in the dial shelf.)
Step 1
Grasp the PEM handle and carefully align the PEM with the DC-input power supply bay.
Step 2
Slide the PEM into the power supply bay until it is fully seated and connected to the backplane connectors.
Step 3
Using a 1/4-inch flat-blade screwdriver, tighten the captive screws on the PEM front panel.
Step 4
Plug the alarm cables into the bell alarm terminal block. (See .)
Step 5
Repeat Step 1 to Step 4 for the other PEM.
Figure 3-9 Replacing a PEM
This completes the procedure for replacing a PEM in the dial shelf.
Replacing the Dial Shelf Cards and Dial Shelf Controller Card
Replace the trunk cards, modem cards, and dial shelf controller cards in the chassis as follows:
Timesaver
Your dial shelf arrived with trunk cards, modem cards, and dial shelf controller cards installed in the proper slots. You can refer to the notes you made before removing the cards (as described in the "Removing Dial Shelf Cards and Dial Shelf Controller Cards" section) when replacing cards in the dial shelf chassis.
If you did not note the original card configuration, replace the cards in the dial shelf slots, which are numbered from left to right, as follows:
•
Trunk cards must be installed in slots numbered 0 to 5, beginning with slot 0.
•
Modem cards can be installed in slots numbered on the backplane as slots 2 to 11.
•
Dial shelf controller cards must be installed in slots numbered on the backplane as slot 12 and slot 13. A single dial shelf controller card can be installed in either
slot 12 or slot 13.
Caution 
Trunk cards and modem cards weigh 8 lb (3.6 kg) each. Dial shelf controller cards weigh 8.5 lb (3.8 kg) each. Use two hands when removing or replacing cards in the dial shelf.
Step 1
Attach your ESD-preventive wrist strap between you and an unpainted chassis surface.
Caution 
To prevent ESD damage, handle trunk cards by ejector levers and carrier edges only and use an ESD-preventive wrist strap or other grounding device.
Step 2
Carefully align the card carrier guides with the top and bottom grooves in the slot. Avoid touching the circuitry or any connector pins.
Step 3
Slide the carrier into the slot until the ejector levers make contact with the chassis frame. (See Figure 3-10.)
Figure 3-10 Using the Ejector Levers
Step 4
Seat the card in the backplane by pushing the card firmly until the ejector levers fold in toward the trunk card front panel and the front panel is flush with the chassis frame.
Caution 
Always use the ejector levers when disengaging or seating trunk cards, modem cards, or dial shelf controller cards in the dial shelf. Failure to do so can cause erroneous system error messages indicating a card failure. However, do
not use the ejector levers to lift or support the weight of the cards.
Step 5
Using a No. 2 Phillips screwdriver, tighten the panel fasteners on the top and bottom of the card front panel. This prevents the card from becoming partially dislodged from the backplane and ensures proper EMI shielding.
Caution 
Always tighten the panel fasteners on trunk cards, modem cards, and dial shelf controller cards. These fasteners prevent accidental removal and provide proper grounding for the system.
Step 6
Repeat Step 3 through Step 5 for all remaining cards you want to install.
Caution 
To avoid erroneous failure messages, remove or insert only one trunk card at a time. Also, after inserting or removing a trunk card, allow at least 15 sec. before removing or inserting another trunk card so that the system can reinitialize and note the current configuration of all interfaces.
Step 7
Install a blank filler card (DS58-BLANK=) in all empty card slots to keep the chassis dust-free and to maintain proper airflow.
Caution 
To prevent the overheating of internal components, always install blank filler cards in empty slots to maintain the proper flow of cooling air across the cards.
Connecting Cables to the Dial Shelf
Once the dial shelf has been rack-mounted and all components have been reinstalled into the dial shelf, DC power connections from a DC source or AC-input power shelf can be connected to the dial shelf. The monitor connection from an AC-input power shelf should also be connected at this stage. The following sections assume the use of the optional AC-input power shelf. If your installation will use a DC power source, see the "Connecting to a DC Power Source" section.
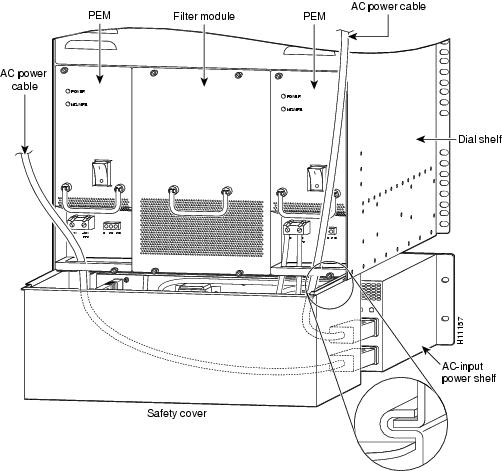
Connecting the AC Power Cables
You need to connect all cables between the AC-input power shelf and the dial shelf before you connect the power shelf to your AC power source. You also need to install the provided electrical connection safety cover at the rear of the power shelf before you power up the system. For detailed cabling specification tables, refer to Appendix A, "Cisco AS5800 Specifications."
Warning
This unit has more than one power cord. To reduce the risk of electric shock, disconnect the two power supply cords before servicing the unit. To see translations of the warnings that appear in this publication, refer to the Regulatory Compliance and Safety Information document that accompanied this device.
Grounding the AC-Input Power Shelf to the Dial Shelf
For detailed cabling specification information, refer to Appendix A, "Cisco AS5800 Specifications." To attach the ground cable between the AC-input power shelf and the dial shelf, complete the following steps:
Step 1
Thread an M4 screw through one hole of the double ring lug on the other end of the ground cable; then thread the screw into the threaded pemnut in the underside of the dial shelf chassis and partially tighten the screw. (See , upper chassis or for an enhanced power shelf.)
Step 2
Align the second ring lug hole with the second pemnut in the underside of the dial shelf chassis and thread a screw through the hole.
Step 3
Using a No. 2 Phillips screwdriver, tighten both screws.
Figure 3-11 Attaching the Ground Wire to a Standard Power Shelf
Figure 3-12 Attaching the Ground Wire to an Enhanced Power Shelf
This completes the ground cable installation.
Connecting the DC Power Cables
For detailed cabling specification information, refer to Appendix A, "Cisco AS5800 Specifications." To connect the DC interconnect power cables, complete the following steps:
Step 1
Verify that the AC-input power switches on the power shelf front panel are in the OFF (O) position.
Step 2
Loosen the screws in each PEM DC terminal block, located on the back of the dial shelf. (See Figure 3-13.)
Step 3
Fit the exposed wire end of one red insulated cable into the DC terminal block labeled -48V RTN on each PEM and securely tighten the terminal block connector screws. (See .)
Figure 3-13 Connecting the DC-Interconnect Cables
Step 4
Fit the exposed wire end of the black insulated cable into the DC terminal block labeled -48V on each PEM and securely tighten the terminal block connector screws. Repeat for the other PEM. (See )
Note
You must attach the red DC cables to the stud labeled BUS + on the AC-input power shelf and connect the other end to a -48V RTN terminal on each PEM. You must attach the black DC cables to the stud labeled BUS - and connect the other end to a -48V terminal on each PEM. If the two DC conductors entering the PEM terminal block are reversed, a yellow warning LED on the PEM lights to indicate a miswire. No damage will occur; however, you must power OFF the power at the source and reverse the connections.
This completes the DC power cabling installation. You must now connect the monitor cable from the AC-input power shelf to the dial shelf filter module.
Connecting the Monitor Cable
For detailed cabling specification information, refer to Appendix A, "Cisco AS5800 Specifications." To connect the monitor cable, complete the following steps:
Step 1
Attach the monitor cable DB-9 plug to the DB-9 receptacle at the base of the dial shelf filter module. (See Figure 3-14, or Figure 3-14 for an enhanced power shelf.)
Step 2
Tighten the jackscrews.
Figure 3-14 Connecting the Monitor Cable
Figure 3-15 Connecting the Monitor Cable to an Enhanced Power Shelf
This completes the monitor cable installation. You must now connect the AC-input power cords.
Connecting the AC Power Cords
For detailed cabling specification information, refer to Appendix A, "Cisco AS5800 Specifications." To connect the AC power cords, complete the following steps:
Step 1
Feed the rectangular ends of the AC power cords through the spaces in the DC PEMs as shown in Figure 3-18.
Step 2
Plug each AC power cord into an AC receptacle on the AC-input power shelf rear. (See Figure 3-16, or Figure 3-17 for an enhanced power shelf.)
Step 3
If you are using an enhanced power shelf, connect the opposite end of each power cord to a 220VAC power source. If you are using a standard power shelf, install the safety cover before connecting to a power source.
Note
For maximum redundancy, connect each power cord to a separate AC source.
Caution 
Do not plug the AC-input power shelf into the same power source as the router shelf or into the power strip on your equipment rack. The 20A connectors on the AC-input power shelf are incompatible with the power source used for the router shelf and with the 15A power strips used in most equipment racks.
Figure 3-16 Connecting the AC Power Cords to a Standard Power Shelf
Figure 3-17 Connecting the AC Power Cords to an Enhanced Power Shelf
This completes the AC power cord installation.
Installing the Safety Cover on the Standard Power Shelf
For safety reasons, you must install the metal safety cover that shipped with your standard AC-input power shelf before you power up the system. The safety cover shields the power connections from possible short circuit and protects you from electrical shock.
Note
This is not necessary with the enhanced power supply.
To install the safety cover, follow these steps:
Step 1
Align the metal safety cover with the grooves on the back underside of the dial shelf. (See .)
Step 2
Slide the safety cover into place and attach the front of the cover to the dial shelf with the screws provided.
Caution 
The safety cover is an integral part of the product. Do not operate the standard AC power shelf without the safety cover installed. Operation of the unit without the safety cover in place will invalidate the safety approvals and pose a risk of fire and electrical hazards.
Warning
The device is designed to work with TN power systems. To see translations of the warnings that appear in this publication, refer to the Regulatory Compliance and Safety Information document that accompanied this device.
Step 3
Connect the opposite end of each power cord to a 220VAC power source.
Note
For maximum redundancy, connect each power cord to a separate AC source.
Caution 
Do not plug the AC-input power shelf into the same power source as the router shelf or into the power strip on your equipment rack. The 20A connectors on the AC-input power shelf are incompatible with the power source used for the router shelf and with the 15A power strips used in most equipment racks.
Figure 3-18 Installing the Safety Cover to a Standard Power Shelf
Connecting to a DC Power Source
The following sections are for installations using a direct DC power source, without an AC-input power shelf.
Grounding the Dial Shelf
The Cisco 5814 dial shelf ships with a double ground lug attached to two pemnuts in the upper left corner on the rear of the dial shelf chassis. For detailed cabling specification information, refer to Appendix A, "Cisco AS5800 Specifications." To ground the dial shelf, follow these steps:
Warning
Never defeat the ground conductor or operate the equipment in the absence of a suitably installed ground conductor. Contact the appropriate electrical inspection authority or an electrician if you are uncertain that suitable grounding is available. To see translations of the warnings that appear in this publication, refer to the Regulatory Compliance and Safety Information document that accompanied this device.
Warning
When installing the unit, the ground connection must always be made first and disconnected last. To see translations of the warnings that appear in this publication, refer to the Regulatory Compliance and Safety Information document that accompanied this device.
Step 1
Locate the dial shelf double ground lug (see ) and using a 1/4-in. flat-blade screwdriver, unscrew it from the chassis. Save the screws.
Figure 3-19 Cisco AS5800—Rear View
Step 2
Attach the double ground lug to your own 6-gauge ground wire.
Step 3
Using the screws you removed, fasten the ground lug to the dial shelf chassis.
Connecting DC Power Cables
If your site has access to a DC power source, you need to provide your own DC power cables. In the United States you need to use 6 AWG stranded or solid copper wire; elsewhere use 16 mm2 solid or 10 mm2 stranded copper wire.
Complete the following cabling instructions:
Step 1
Locate the DC terminal block located on the dial shelf PEM front panel and loosen the connector screws using a 1/4-in. flat-blade screw driver. (See .)
Step 2
Strip the DC power cable of its outer insulation to expose about 1/2-inch of copper wires.
Step 3
Connect the power cable stripped wires to the DC terminal block on the PEM and securely tighten the terminal block connector screws. (See .)
Figure 3-20 DC Terminal Block on the PEM
Step 4
Connect the other end of your DC power cables to your DC power source.
Step 5
Repeat Step 1 through Step 4 to connect your DC power cables to the second PEM.
Note
If the two DC conductors entering the PEM terminal block are reversed, a red warning LED on the PEM goes on to indicate a miswire. No damage will occur; however, you must power OFF the power at the source and reverse the connections.
This completes the procedure for installing the dial shelf in a rack. You are now ready to install the Cisco 7206 router shelf in the equipment rack.
Rack-Mounting the Router Shelf
The router shelf is intended to be rack-mounted above the dial shelf in the same rack; however, you can rack-mount the router shelf in an adjacent rack. The interconnect cable supplied by Cisco, which provides the physical connection between the router shelf and the dial shelf, is available in 6-ft or 20-ft lengths.
There is no clearance requirement for mounting the router shelf directly above the dial shelf. Use the rack-mounting brackets and cable-management kit that shipped with the Cisco 7206 router shelf to install the router in the rack.
Note
To install the Cisco 7206 router shelf, refer to the Cisco 7206 Installation and Configuration Guide that shipped with your Cisco 7206 router shelf. After you complete the router shelf installation, you are ready to connect the cables. Proceed to the following section "Connecting the Dial Shelf to the Router Shelf."
Note
It is possible to use two routers in a split dial shelf configuration with a single 5814 dial shelf. Install the second router shelf above the first.
Connecting the Dial Shelf to the Router Shelf
The Cisco 7206 router shelf contains a dial shelf interconnect port adapter with a single RJ-45 receptacle, which is used to connect the router shelf to the Cisco 5814 dial shelf. The interconnect port adapter installs in any 7206 router shelf port adapter slot and connects directly to the Cisco 5814 dial shelf controller card using a single full-duplex cable.
The cable used for this connection is available only from Cisco Systems. It is customized with shielding to decrease electromagnetic interference (EMI) emissions, and jackscrews to secure the connection. You must use this specially designed cable, which shipped with your interconnect port adapter, to connect the dial shelf to the router shelf. For detailed cabling specification information, refer to Appendix A, "Cisco AS5800 Specifications." If the cable was not shipped, contact CCO as described in the"Cisco Connection Online" section.
shows the dial shelf interconnect cable with jackscrew connectors.
Figure 3-21 Dial Shelf Interconnect Cable
shows the RJ-45 receptacle on the dial shelf interconnect port adapter.
Figure 3-22 Dial Shelf Interconnect Port Adapter Front Panel
To connect the dial shelf interconnect cable, follow these steps:
Caution 
Do not use the dial shelf interconnect port adapter for outgoing WAN connections.
Warning
Hazardous network voltages are present in WAN ports regardless of whether power to the unit is OFF or ON. To avoid electric shock, use caution when working near WAN ports. When detaching cables, detach the end away from the unit first. To see translations of the warnings that appear in this publication, refer to the Regulatory Compliance and Safety Information document that accompanied this device.
Warning
To avoid electric shock, do not connect safety extra-low voltage (SELV) circuits to telephone-network voltage (TNV) circuits. LAN ports contain SELV circuits and WAN ports contain TNV circuits. Some LAN and WAN ports both use RJ-45 connectors. To see translations of the warnings that appear in this publication, refer to the Regulatory Compliance and Safety Information document that accompanied this device.
Step 1
Attach one end of the dial shelf interconnect cable directly to the RJ-45 port (See ) on the dial shelf interconnect port adapter in the Cisco 7206 router shelf.
Step 2
Tighten the jackscrews on either side of the connector.
Step 3
Attach the other end of the cable to the port labeled "Dial Shelf Interconnect" on the dial shelf controller card front panel.
Step 4
Tighten the jackscrews on either side of the connector.
Step 5
If you will be using a split dial shelf configuration, repeat Step 1 through Step 4, connecting the second dial shelf controller card to the second router shelf.
Caution 
Never disconnect the interconnect cable while the system is operating (except when replacing a redundant dial shelf controller card), because you will lose all calls.
Figure 3-23 Connecting the Dial Shelf Interconnect Cable
Connecting Router Shelf Port Adapter Cables
Egress connections to LANs and WANs are made through the host Cisco 7206 router shelf. Using port adapters, the router shelf supports interfaces such as FDDI, HSSI, Fast Ethernet, and ATM. Each interface port adapter is shipped with separate configuration instructions and cable information.
For example, if you install a Fast Ethernet port adapter in the Cisco 7206 router shelf, refer to the configuration note PA-FE-TX and PA-FE-FX Fast Ethernet 100BASE-T Port Adapter Installation and Configuration (Part Number 78-2659-xx) that shipped with your Fast Ethernet port adapter. This document is also available in the Documentation CD-ROM and on Cisco Connection Online (CCO).
Connecting Trunk Card Cables
The trunk card provides 12 RJ-45 receptacles for channelized E1 or T1 lines, or BNC connectors for T3 trunk lines. To connect T1 or E1 trunk lines, follow these steps:
Warning
The telecommunications lines must be disconnected 1) before unplugging the main power connector and/or 2) while the housing is open. To see translations of the warnings that appear in this publication, refer to the Regulatory Compliance and Safety Information document that accompanied this device.
Warning
Do not work on the system or connect or disconnect cables during periods of lightning activity.To see translations of the warnings that appear in this publication, refer to the Regulatory Compliance and Safety Information document that accompanied this device.
Warning
Only trained and qualified personnel should be allowed to install or replace this equipment. To see translations of the warnings that appear in this publication, refer to the Regulatory Compliance and Safety Information document that accompanied this device.
Warning
The E1 interface card may only be installed in an ACA-permitted customer equipment or a Data Terminal Equipment (DTE) that is exempted from ACA's permit requirements. The customer equipment must only be housed in a cabinet that has screw-down lids to stop user access to overvoltages on the customer equipment. The customer equipment has circuitry that may have telecommunications network voltages on them.
Step 1
Attach one end of the T1 or E1 cable directly to the RJ-45 receptacle on the trunk card. (See .)
Step 2
Attach the network end of your CT1 cable to your external network, or for CE1 cabling, attach the network end of your CE1 cable to your network termination (NT1) device.
Step 3
Repeat Steps 1 and Step 2 for as many as 11 more T1 or E1 cables.
For more information about trunk cables and trunk cards, refer to the Cisco AS5800 Universal Access Server Dial Shelf Card Guide.
Warning
Warning
Hazardous network voltages are present in WAN ports regardless of whether power to the unit is OFF or ON. To avoid electric shock, use caution when working near WAN ports. When detaching cables, detach the end away from the unit first. To see translations of the warnings that appear in this publication, refer to the Regulatory Compliance and Safety Information document that accompanied this device.
Figure 3-24 Connecting the CT1 and CE1 Trunk Card RJ-45 Cables
To connect the T3 lines, follow these steps:
Step 1
Attach the end of the T3 transmit and receive cables directly to the BNC receptacles on the trunk card (see ).
Step 2
Attach the network end of your CT3 cables to your external network.
Figure 3-25 CT3 Trunk Card BNC Cable Connections
Connecting to the Router Shelf Console and Auxiliary Ports
A DCE-mode console port and a DTE-mode auxiliary port are located on the router shelf I/O controller. The console port is a DB-25 receptacle for connecting a data terminal, which you use to run the initial setup script and bring up the Cisco AS5800. The auxiliary port is a DB-25 plug for connecting a modem or other DCE device (such as a CSU/DSU or other router) to the router shelf. (See .)
Note
Both console and auxiliary ports are asynchronous serial ports; any device connected to these ports must be capable of asynchronous transmission.
Before connecting a terminal to the console port, configure the terminal to match the router console port as follows: 9600 baud, 8 data bits, no parity, 2 stop bits (9600 8N2). You need an EIA/TIA-232 DCE console cable to connect the terminal to the console port. After you establish normal router operation, you can disconnect the terminal. While both the router shelf and the dial shelf have console ports, functions for both shelves are available from the router console port.
You must supply your own interface cable between the auxiliary port and the equipment you are connecting. Refer to the Cisco 7206 Installation and Configuration Guide that shipped with your router shelf for console and auxiliary port pinouts.
Figure 3-26 Connecting the Router Shelf Console and Auxiliary Ports
This completes the procedures for installing and cabling your Cisco AS5800. To start the access server, proceed to Chapter 4, "Powering On the Cisco AS5800 and Observing Initial Startup Conditions."